Кондиционер

borka13

Местный
12 Март 2008
314
39
28
IL
Езжу на ...
Jimny2020
не стал ставить кран на печку
на малом круге стоит датчик температуры , в аккурат на выходе с головы между стенкой моторного отсека и мотором
 


Deputаt

Бывает здесь
29 Август 2011
75
2
0
43
Вологда
Езжу на ...
Автомобиль
Накрылся вентилятор радиатора кондиционера. Да так, что даже подпалился и частично слетел с оси мотора. Кожух тоже частично расколот.

В каталоге он, как я понял, продается в сборе с решёткой. Вот только цены на оригинал кусачие.
84c43f28dee5.jpg


Нашёл не оригинал Frig air 0514.1008, но его в продаже нет.
985e3df0c73f.jpg


Кто сталкивался с заменой/покупкой вентилятора, подскажите, может есть ещё другие не оригинальные варианты замены. Очень нужно.
 
Z

Zor

Guest
Посмотрите в теме "электро вентилятор вместо вискомуфты." Там вроде проскакивали.
 

Deputаt

Бывает здесь
29 Август 2011
75
2
0
43
Вологда
Езжу на ...
Автомобиль
Zoran, посмотрел эту тему. Есть там один момент по замене штатного вентилятора кондиционера на вентилятор от Опеля: https://suzuki-club.ru/threads/57488/page-8
Порылся в разделе про Сузуки Балено, у них оказывается вентилятор системы охлаждения двигателя такой же как у нас для кондиционера, но ценник тоже не гуманный. Там нашёл ещё один код Тайваньского производителя SZBAL95-941. Но его тоже нет в продаже.
Наткнулся на сайт http://carbonus.ru/catalog.htm?bid=Y Там продают б/у и новые запчасти. Цены более, чем гуманные (не реклама). Вот только доставка из Владивостока и Новосибирска. Купил там оригинальный вентилятор всего за 950 руб. Оплатил картой Сбербанка.
 

Pu1sat0r

Эксперт
26 Февраль 2008
3,022
491
83
41
Питер 4ever!
Езжу на ...
Jimny '07 JLX АКПП, Duster '13 Luxe Prestige АКПП
Пока менял прокладку ГБЦ, обнаружил увлажнение на трубках кондея. После слобрки двигателя кондей перестал включаться. Судя по всему испарился фреон.

Видел его в продаже в баллончиках, кто сам заряжал, какие там ньюансы?
 


user1975

Профи
5 Октябрь 2009
2,055
552
113
Москва
Езжу на ...
Suzuki Liana 1.6 4x4 AT
Пока менял прокладку ГБЦ, обнаружил увлажнение на трубках кондея. После слобрки двигателя кондей перестал включаться. Судя по всему испарился фреон.

Видел его в продаже в баллончиках, кто сам заряжал, какие там ньюансы?
Для того чтобы зарядить кондиционер, помимо баллончика с фреоном необходим вакуумный насос для предварительной вакуумизации. Поэтому возня с баллончиками экономически нецелесообразна.
Если есть потёки, то скорее всего придётся ремонтировать трубу/шланг, на которых потёки, т.к. для потёков требуется дыра в трубе/шланге. Либо если потёки из-под стыка, то замена уплотнительного кольца
 
  • Нравится
Реакции: 1 человек

Freeline

Ветеран
6 Сентябрь 2010
1,722
225
63
38
Тольятти
Езжу на ...
Продал сонату купил калину продал калину купил джимник исполнил свою мечту.
лучше на диагностику съездить,
для заправки нужен блок манометров, ваккуматор и очень точные весы+ масло.
 
  • Нравится
Реакции: 1 человек

Pu1sat0r

Эксперт
26 Февраль 2008
3,022
491
83
41
Питер 4ever!
Езжу на ...
Jimny '07 JLX АКПП, Duster '13 Luxe Prestige АКПП
лучше на диагностику съездить,
для заправки нужен блок манометров, ваккуматор и очень точные весы+ масло.
Понятно. В общем проще и дешевле его вытащить и выкинуть, поставив вместо компрессора кондея воздушный компрессор
 

Freeline

Ветеран
6 Сентябрь 2010
1,722
225
63
38
Тольятти
Езжу на ...
Продал сонату купил калину продал калину купил джимник исполнил свою мечту.
можно компрессор оставить и им колёса качать. но нужна станция для подачи масла и осушитель иначе быстро накроется,
После клина компрессора всё разобрал для чистки из компрессора потекло чёрное масло и в трубках был налёт. долго и упорно всё отмывал. сегодня будет заправка надеюсь всё заработает.
такчто у кого компрессор словил клина разбирайте всё и чистите.
 

Pu1sat0r

Эксперт
26 Февраль 2008
3,022
491
83
41
Питер 4ever!
Езжу на ...
Jimny '07 JLX АКПП, Duster '13 Luxe Prestige АКПП
сегодня будет заправка надеюсь всё заработает.
такчто у кого компрессор словил клина разбирайте всё и чистите.
ну и как, заработало?[DOUBLEPOST=1431001623,1430913227][/DOUBLEPOST]Сегодня во время ожидания очереди на АЗС температура антифриза дошла до 100 градусов, но электровентилятор так и не включился... Должен ли он работать отдельно от кондея?
 




abcom

Pardon me boy, is that the Chattanooga Choo Choo?
Премиум-аккаунт
8 Декабрь 2008
14,096
3,101
113
67
Москва - Северное Тушино
Езжу на ...
Jimny 2007 МКПП
  • Нравится
Реакции: 1 человек

Freeline

Ветеран
6 Сентябрь 2010
1,722
225
63
38
Тольятти
Езжу на ...
Продал сонату купил калину продал калину купил джимник исполнил свою мечту.
Pu1sat0r да наконецто все работает.
 

Pu1sat0r

Эксперт
26 Февраль 2008
3,022
491
83
41
Питер 4ever!
Езжу на ...
Jimny '07 JLX АКПП, Duster '13 Luxe Prestige АКПП
Вчера ездил к мастеру по кондеям, показал ему предположительное место утечки - оказалась трубка прохудилась около штуцера.

Заказал новую, цена вопроса 1200р. всего! Номер 9573381A10.

Подал на вентилятор 12В, пропеллер крутится.
 

Serj_jm

Наш человек
2 Март 2015
203
74
28
44
Москва , Алтуфьево
Езжу на ...
Suzuki Jimny 2008 г.в.
Может кто -чего подскажет ?

Возник вопрос .
Полез в блок предохранителей и обнаружил , что отсутствует реле AC FAN . :(

Куда оно делось непонятно.

Сегодня купил новое реле , хотел поставить , а оказалось , что и контакты к нему отсутствуют. :unsure-99:

Это так и должно быть ?
Какое реле тогда управляет вентилятором кондея под капотом ?

Джимник леворульный , 2008 , M13A , АКПП .

Блок предохранителей без реле AC FAN выглядит вот так (в центре пустое место как раз под реле) , картинка из инета , т.е. такие блоки предохранителей встречаются.

999263858.jpg



Кондей работает , холодит нормально . Вентилятор кондея (который перед радиатором)не крутится (пробовал поездить в пробках , дать прогреться мотору ) , температура ОЖ выше 94 градусов не поднималась.

Нужно понять это нормально (какая то модификация джимника) или ненормально (проводка была переделана , реле удалено , правда хз зачем ) ?
 



abcom

Pardon me boy, is that the Chattanooga Choo Choo?
Премиум-аккаунт
8 Декабрь 2008
14,096
3,101
113
67
Москва - Северное Тушино
Езжу на ...
Jimny 2007 МКПП
Я, кстати, тоже был возмущён сим фактом, когда недавно обнаружил это свинство! дырка есть, а реле нет!
 





Serj_jm

Наш человек
2 Март 2015
203
74
28
44
Москва , Алтуфьево
Езжу на ...
Suzuki Jimny 2008 г.в.
Зачем покупать реле, если его с завода там не было...
Я ж не знал , что в стоке там нет этого реле. В книжке автодаты оно есть.
Включаю кондей , вентилятор не крутится . Проверяю вентилятор - работает , ага значит реле. Проверяю реле - нету его , до этого отдавал машину криворуким установщикам сигналки , значит установщики потеряли реле или сперли . Значит надо покупать реле. Ну и купил. :grin:
 

ktg80

Опытный сузуковод
21 Декабрь 2014
862
108
43
45
Мурманская Область
Езжу на ...
Jimny 2008г.в. АКПП, 235/75/15 силовики перед,зад, багажник

abcom

Pardon me boy, is that the Chattanooga Choo Choo?
Премиум-аккаунт
8 Декабрь 2008
14,096
3,101
113
67
Москва - Северное Тушино
Езжу на ...
Jimny 2007 МКПП
Да ХЗ, если честно, я не искал.

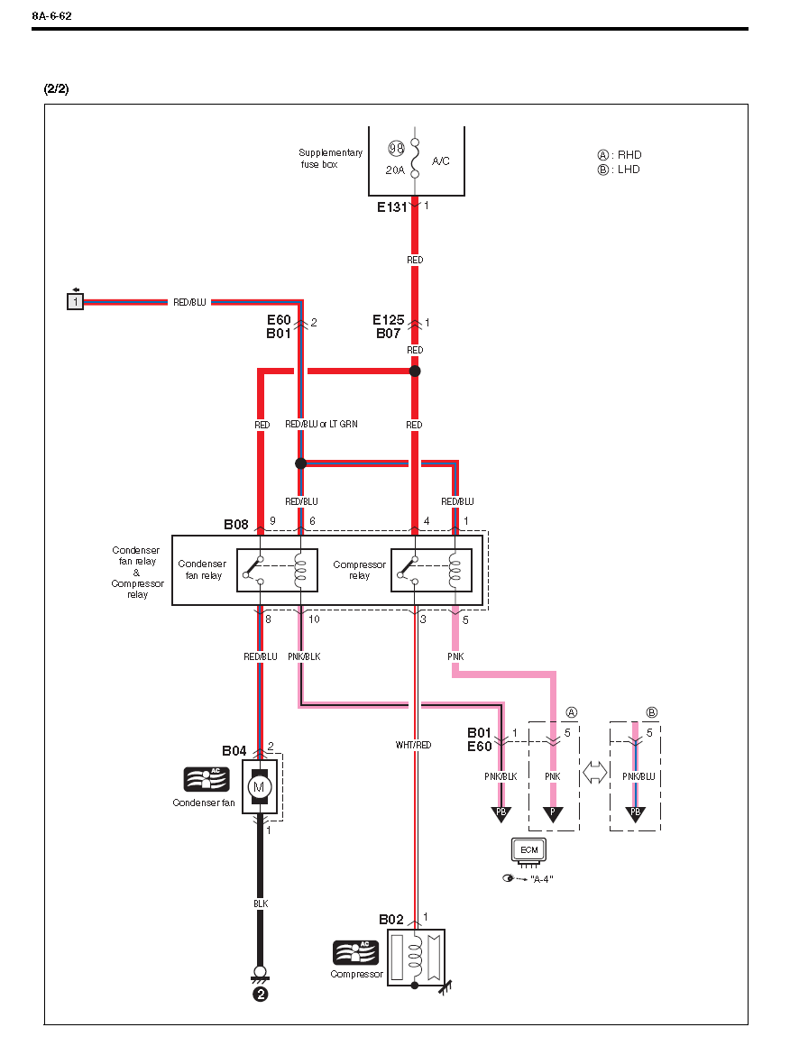
Вроде вот эта схема, пошарь по ней:

2015-05-25 18-57-23 Скриншот экрана.png


И это, он у тебя когда не крутится? Когда кондей включаешь? А остальное включается? Ну там компрессор...
 
Последнее редактирование модератором:

ktg80

Опытный сузуковод
21 Декабрь 2014
862
108
43
45
Мурманская Область
Езжу на ...
Jimny 2008г.в. АКПП, 235/75/15 силовики перед,зад, багажник
Да ХЗ, если честно, я не искал.

Вроде вот эта схема, пошарь по ней:

Посмотреть вложение 79036


И это, он у тебя когда не крутится? Когда кондей включаешь? А остальное включается? Ну там компрессор...
все включается, схему я видел, я не знаю где он в машине расположен(((
 


abcom

Pardon me boy, is that the Chattanooga Choo Choo?
Премиум-аккаунт
8 Декабрь 2008
14,096
3,101
113
67
Москва - Северное Тушино
Езжу на ...
Jimny 2007 МКПП
Попробуй по проводу отследить. Там много простой изолентой чёрноё закручено, реж смело, потом замотаешь новой.
 

ktg80

Опытный сузуковод
21 Декабрь 2014
862
108
43
45
Мурманская Область
Езжу на ...
Jimny 2008г.в. АКПП, 235/75/15 силовики перед,зад, багажник
Попробуй по проводу отследить. Там много простой изолентой чёрноё закручено, реж смело, потом замотаешь новой.
я думал это колхоз от прежнего владельца))))
 
2 Апрель 2012
403
139
43
Московская область Дубна
Езжу на ...
Jimny 2008 г.в. автомат
А может кто подскажет, вентилятор при нагреве движка включается, а вот компрессор кониционера- нет, система заправлена, кнопка в салоне горит, на предохранитель ток идёт, при подаче напрямую- компрессор включается, я грешу на датчик, который стоит слева над радиатором на трубке, мож кто сталкивался с подобным?
 

Freeline

Ветеран
6 Сентябрь 2010
1,722
225
63
38
Тольятти
Езжу на ...
Продал сонату купил калину продал калину купил джимник исполнил свою мечту.
скидываеш клемму и смотри он замкнут или нет.
если замкнут то смотри реле возле аккума которые там одно отвечает за муфту компрессора второе за вентилятор.
 
2 Апрель 2012
403
139
43
Московская область Дубна
Езжу на ...
Jimny 2008 г.в. автомат
скидываеш клемму и смотри он замкнут или нет
извени, не совсем понял, клемму откуда и кто замкнут, если комперессор, то он не замкнут- замыкается только при принудительной подаче с акума.
за реле спасибо- проверю.