АКПП АКПП - вопросы и проблемы

Nansen

Профи
26 Июнь 2007
2,421
703
0
59
полярник
ошибка p2770, стереть не удается, через 5 секунд загорается снова, акпп вроде едет нормально. подскажите где копать?
Гляди на картинку: на "мозги" АКПП подходят два разъёма, для разных вариантов движка разъёмы разные (варианты А и В). Это пока для начальной информации.
0_8f7fc_38e25e76_XXL.jpg


- выключить зажигание
- отключить оба разъёма от "мозгов" АКПП
- включить зажигание и померять напряжение на контакте 5 разъёма Е121 (если у тебя вариант А) или на контакте 12 разъёма Е123 (если у тебя вариант В). Доп. примета: к этому контакту прицеплен провод чёрный с жёлтой полоской
- напряжение должно быть от 0 до 2 Вольт. Если больше - значит этот провод где-то коротит на +12 Вольт.

Но обычно это плохой контакт в цепи этого чёрно-жёлтого провода. Например, на разъёме на самой АКПП.
 
  • Нравится
Реакции: 1 человек


Alfa

Наш человек
16 Май 2009
177
24
0
40
Приморский край
Езжу на ...
Jimny Wide '98
Yamaha DT200 '84
Подскажите, может была у кого такая проблема и ее благополучно решили.
Jimny простоял в гараже 3 месяца. Завел, нажал тормоз, а на ручке АКПП не нажимается кнопка для переключения режимов (D-P-R). Потом все же переключил, но этот "глюк" повторяется. Перед постановкой в гараж заменил тормозную жидкость (но думаю врядли это как-то повлияло).
Где копаться? Что менять или чистить?
 

Ogarew

Мудрец
17 Июнь 2009
7,507
1,688
113
51
Москва-Люблино
Езжу на ...
Suzuki Jimny 12/2007 АКПП,Серебр.мет. .
[URL=http://line4auto.ru/suzuki/][IMG]http://line4auto.ru/suzuki/5_21_0_12122007_3.gif[/IMG][/URL]
Сегодня купил в аптеке фартовый шприц,на 160мл!:good3:
Пригодится для отсасывания(залива) лишнего масла (декстрона) через трубочку-давление и вакуум создаёт:thumbsup:
IMG_1219.1.jpg IMG_1220.2.jpg
PS -недавно,когда менял АКПП,получился такой конфуз-масла перелил...-пей не хочу!
-Как так,ведь прогревал,катался по гаражу-всё в норме,а когда поддал парку по трассе,проехал пяток киллометров,при переключении в зад,произошёл удар,в перёд-тоже.Вылез,проверил уровень и офанарел:eek:-на пять сантиметров выше максимума!!!Ну что,вырезал бадейку,постелил плёнку,ключ в руки,лёг,кипящее масло,бедные руки...-за два подхода уложился в "середину":thumbsup:Перчатки в масле,две пары-на выброс!
Был-бы этот шприц..."мама моя дорогая.." -трубочку вместо уровня и "всё в ажуре,умирать не надо"!
 

Ogarew

Мудрец
17 Июнь 2009
7,507
1,688
113
51
Москва-Люблино
Езжу на ...
Suzuki Jimny 12/2007 АКПП,Серебр.мет. .
[URL=http://line4auto.ru/suzuki/][IMG]http://line4auto.ru/suzuki/5_21_0_12122007_3.gif[/IMG][/URL]
Jimny простоял в гараже 3 месяца. Завел, нажал тормоз, а на ручке АКПП не нажимается кнопка для переключения режимов (D-P-R). Потом все же переключил, но этот "глюк" повторяется.
Вот смотрите:-простоял три месяца,не работал,не двигался-могло заржаветь!?Я не знаю схемку ручки АКПП с кнопкой,по видимому,она нужна,чтоб фиксировать ручку в определённом положении выбора передачи,если так,то надо смотреть механическую часть рукоятки.Попробовать попшикать ВД-ку.ИМХО.
 


Nansen

Профи
26 Июнь 2007
2,421
703
0
59
полярник
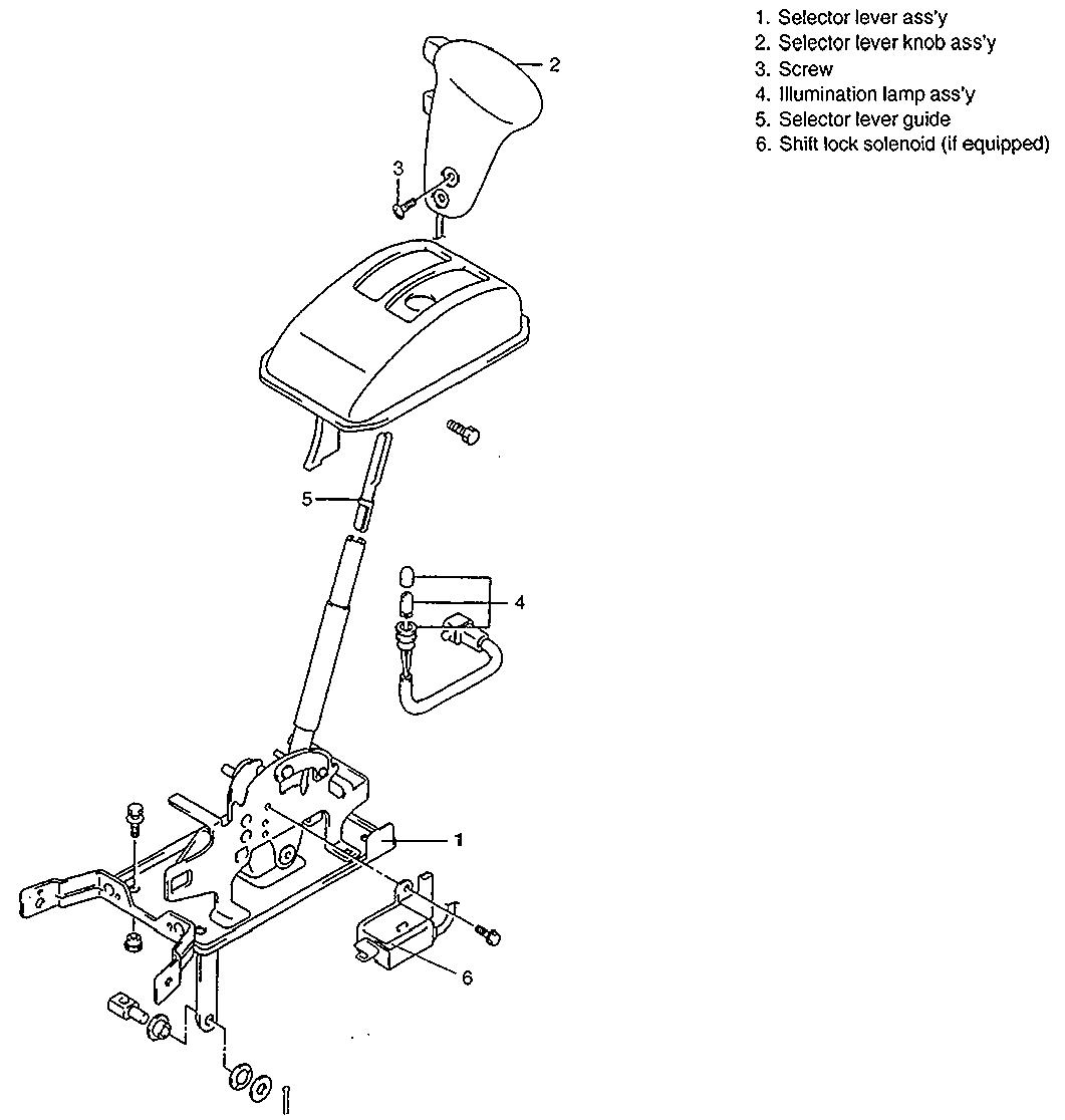
а на ручке АКПП не нажимается кнопка... Где копаться? Что менять или чистить?
Копаться в салоне, там где рычаг выбора режимов АКПП уходит под крышку.

На рисунке деталь №6 - это соленоид блокировки рычага. Погляди в этом месте провода, состояние разъёма, механическую часть тоже погляди и смажь.
 

Вложения

  • Нравится
Реакции: 1 человек

Ves

Бывает здесь
11 Май 2011
62
45
18
Санкт-Петербург
Езжу на ...
Jimny, 2007, АКПП
Доброго всем дня
Хочу задать несколько наивный вопрос, ответа на который я к сожалению не нашел. Если сравнивать АКПП Джимников 2003-2004 года с АКПП версии 2005-2012 в чем отличия этих коробок и главное болевые точки. Вопрос не случайный, так как нахожусь в процессе выбора нового (старого) коня с АКПП. Раньше был Джим 2008.
Заранее спасибо всем кто откликнется.
 

CTEPX

Наш человек
19 Сентябрь 2008
243
69
28
42
Владивосток
Езжу на ...
Suzuki Jimny Wide
Прошу помощи. Преамбула - на трофи вылетел выведенный сапун из АКПП. Попала вода в автомат. Проехал около 200 км до дома. Проблем никаких не возникло. Сделал полную замену жижи + почистил фильтр. Все собрал и поехал проверять. Минут 15-20 все было ок. Потом на скорости около 80 км/ч резко пропала тяга и обороты вышли в красную зону. Остановился, посмотрел уровень декса - все в норме. Тронулся нормально, потом опять при нажатии на педаль газа нет тяги и растут обороты. Пропали 1 и 2 скорости, защелкало реле ЭБУ. Автомат перешел в аварийный режим есть только 3 скорость. Иногда появляется 1 и 2 при трогании с места. 4 не появилась ни разу. Считал ошибки: 18 (Р0730), 36 (Р0710), 45 (Р0768), 52 (Р0702). Собственно, что делать. С электроникой дружу плохо.
 

CTEPX

Наш человек
19 Сентябрь 2008
243
69
28
42
Владивосток
Езжу на ...
Suzuki Jimny Wide
Сегодня купил в аптеке фартовый шприц,на 160мл!:good3:
............
Цитирование всего текста из поста №1331:eek:

4.10 Оверквотинг (англ. overquoting) — неоправданный избыток цитируемого текста, видеороликов или фотографий, или же многократное вложенное цитирование при ответе в теме. Избыток цитируемого материала затрудняет нахождение и понимание собственной, высказываемой в данный момент, мысли автора. Умелое цитирование позволяет удерживать нить беседы и позволяет всегда легко продолжить её, даже если прошло длительное время.

С Уважением,модератор.

У меня выведен сапун с автомата, метода слива лишнего декса такая. Берешь трубку выведенного сапуна, вытаскиваешь щуп и дуешь в сапун ртом. Из трубки щупа декс и выливается)
 




Flintz

Профи
Премиум-аккаунт
15 Сентябрь 2008
2,306
865
0
МО, Красногорск
Езжу на ...
зеленый Jimny 2008 г., автомат
Вообще, симптомы типа "тронулся нормально, сколько-то проехал, начало пробуксовывать, заглушил, подождал пару минут, завелся, тронулся нормально..." указывают на забитый фильтр.
 

CTEPX

Наш человек
19 Сентябрь 2008
243
69
28
42
Владивосток
Езжу на ...
Suzuki Jimny Wide
Вообще, симптомы типа "тронулся нормально, сколько-то проехал, начало пробуксовывать, заглушил, подождал пару минут, завелся, тронулся нормально..." указывают на забитый фильтр.
Фильтр промывал, продувал и вообще чистил долго)
 

CTEPX

Наш человек
19 Сентябрь 2008
243
69
28
42
Владивосток
Езжу на ...
Suzuki Jimny Wide
Вообще конечно такое количество ошибок одновременно указывает скорее на неисправности в электронной цепи, нежели на механическую поломку, только вот как выявить эти неисправности:sorry2:
 



Flintz

Профи
Премиум-аккаунт
15 Сентябрь 2008
2,306
865
0
МО, Красногорск
Езжу на ...
зеленый Jimny 2008 г., автомат
Фильтр промывал, продувал и вообще чистил долго)
не знаю, как на старых коробках, на моей два маленьких окошка, качественно промыть через которые весьма затруднительно... Считаю, что замена фильтра предпочтительнее.
 

CTEPX

Наш человек
19 Сентябрь 2008
243
69
28
42
Владивосток
Езжу на ...
Suzuki Jimny Wide
не знаю, как на старых коробках, на моей два маленьких окошка, качественно промыть через которые весьма затруднительно... Считаю, что замена фильтра предпочтительнее.
помыл в бензине и дунул баллоном водолазным
 

Nansen

Профи
26 Июнь 2007
2,421
703
0
59
полярник
Вообще конечно такое количество ошибок одновременно указывает скорее на неисправности в электронной цепи, нежели на механическую поломку, только вот как выявить эти неисправности
В общем-то правильно мыслишь. Код 52 явно указывает на проблемы с реле питания внутри "мозгов". Так что гляди в этой же теме рассказы про множественные ошибки и последующее пропаивание контактов на плате TCM, ничего там страшного нет.
 

CTEPX

Наш человек
19 Сентябрь 2008
243
69
28
42
Владивосток
Езжу на ...
Suzuki Jimny Wide
В общем-то правильно мыслишь. Код 52 явно указывает на проблемы с реле питания внутри "мозгов". Так что гляди в этой же теме рассказы про множественные ошибки и последующее пропаивание контактов на плате TCM, ничего там страшного нет.
Обратите внимание на пост № 1337 и прочитайте сообщение модератора.Если Вы отвечаете следом за предыдущем автором,то не стоит вообще цитировать его ответ,в крайнем случае весь,чтобы продолжить дискуссию далее,а только что-то конкретное.Я оставлю Ваш ответ без изменений,чтоб Вам было ясно.:)
С Уважением,модератор.

Завтра попробую поставить ЭБУ АКПП от другой машины, но там кроме него думаю есть проблемы
 

CTEPX

Наш человек
19 Сентябрь 2008
243
69
28
42
Владивосток
Езжу на ...
Suzuki Jimny Wide
Вылечил я свой автомат. Все оказалось банально. Отвалилась масса от электромагнитного клапана Д. Прозвонили фишку, нашли обрыв в цепи. Снял клапан, поставил другой, старый спаял. Все работает ок.
 
  • Нравится
Реакции: 2 человек





lizardkz

Продвинутый новичок
5 Октябрь 2012
29
6
0
Казахстан г.Алматы
Езжу на ...
jimny 1.3 АКПП, лифт подвески 4", резина 215-90-15 Forward safari 510 MT
Добрый день. После лифта и установки больших колес. Скорость движения увеличилась на 10 больше чем по спидометру из за этого и автомат начал переключать с завышенной скоростью, чтобы включилась 4 нужно разгонять до 90 как можно поправить чтобы была погрешность на эти 10 км час? А то не удобно ездить на 3 скоростях и двигателю и коробке.
 

Nansen

Профи
26 Июнь 2007
2,421
703
0
59
полярник
IMHO, по-простому никак :pardon:
Сам так ездил с 30" колёсами, спидометр показывал скорость ровно на 10% меньше реальной: при "90 км/ч" было ок. 100 км/ч.
 

RuslanT

Бывает здесь
26 Сентябрь 2010
67
32
0
Темрюк
Езжу на ...
Джимни 2006
Добрый день. После лифта и установки больших колес. Скорость движения увеличилась на 10 больше чем по спидометру из за этого и автомат начал переключать с завышенной скоростью, чтобы включилась 4 нужно разгонять до 90 как можно поправить чтобы была погрешность на эти 10 км час? А то не удобно ездить на 3 скоростях и двигателю и коробке.
Сделать на фланец входной или выходной шестерёнку скорости с нужным количеством зубов, и перенести к ней датчик скорости.
 

ilyushka

пенсия
Премиум-аккаунт
11 Сентябрь 2008
1,681
630
113
49
Камчатка
Езжу на ...
Jimny JB43W AT 2001 г.в. Made in Japan
SX-4 JA11 AT 2006 г.в. Made in Japan
Jimny JB43W AT 2005 г.в. Made in Japan


lizardkz

Продвинутый новичок
5 Октябрь 2012
29
6
0
Казахстан г.Алматы
Езжу на ...
jimny 1.3 АКПП, лифт подвески 4", резина 215-90-15 Forward safari 510 MT
Сделать на фланец входной или выходной шестерёнку скорости с нужным количеством зубов, и перенести к ней датчик скорости.
А как узнать нужное количество зубов и можно с фото если такое делалось.
 
K

kamancho

Guest
Не нашёл более подходящую тему для моего вопроса...
Купил месяц назад Джима 2003 г.в. Хочу перед зимой(и вообще) сменить масло в коробке-автомат. В инструкциях конечно сказано, что нужно родное масло. НО! Не могу узнать, меняли-ли масло вообще за время жизни машины и на какое. Да ещё и SUZUKI-масла у нас днём с огнём...
Опять-же, противоречивый момент: как менять- полностью и на СТО(читал, что сложно и небезопасно), или как чаще делают- "слив-долив" несколько раз за год. Как говорят здесь на форуме, "чешу репу" :)