Стеклоподъемники

nutik

Местный
7 Апрель 2008
275
9
0
39
Нарва
Езжу на ...
Suzuki Baleno, 1996, 1.6
Ответ: Re: Стеклоподъемники

Т.е главная точка где должно быть электричество это водительская дверь? Я думал что оттуда только сигнал идет в контроллер какой-нить и там уже и должно быть 12 вольт?

Добавлено через 1 минуту
И если в двери подключать, то 12 вольт удобнее взять из кнопки закрытия всех дверей, наверное.
 


amigos

Эксперт
28 Июль 2008
3,094
562
113
46
Дубна Московская область
Езжу на ...
Suzuki Baleno Wagon 1,6 4WD 2001 SY416-5 (Blue Metallic), Isuzu Amigo '93 4ze1
Ответ: Re: Стеклоподъемники

Сейчас ещё раз глянул мануал, там написано что в дверь к кнопкам ( через кучу предохранителей и реле ) подходит синий провод ( +12в), вроде как в водительской двери есть небольшой контролллер, но опять же основное +12, земля, и 2 провода на моторчик(актуатор).

Можно и от кнопки запирания дверей взять, если на ней всегда +12 и если предик на нем не слабенький.
 

nutik

Местный
7 Апрель 2008
275
9
0
39
Нарва
Езжу на ...
Suzuki Baleno, 1996, 1.6
Ответ: Re: Стеклоподъемники

Проверил, на самом деле по синему проводу приходит питание при включении зажигания. От кнопки открытия дверей взять питяние не вышло т.к двери начинают закрываться\открываться в зависимости от провода который брать(на кнопку открытия дверей приходит 2 провода с +, и один провод с -) Придется новый туда тащить
 

NikS

Свой в доску
24 Октябрь 2007
504
32
0
г. Томск
Езжу на ...
Suzuki Cultus 1.5 АКПП 97г.в.
Ответ: Re: Стеклоподъемники

А если к этому синему проводу дополнительный с + прикрутить через диод??? Тогда ташить не че не придется, и + всегда будет
 

amigos

Эксперт
28 Июль 2008
3,094
562
113
46
Дубна Московская область
Езжу на ...
Suzuki Baleno Wagon 1,6 4WD 2001 SY416-5 (Blue Metallic), Isuzu Amigo '93 4ze1
Ответ: Re: Стеклоподъемники

Ну во первых - откуда ты этот провод будешь брать ??? По моему самые ближайшие провода на которых постоянно +12в это габариты и фары, но тогда на них увеличится нагрузка при работе одновременно и фар и стеклоподъемников ( предик или проводка может погореть ) и вообще если к чему то завязывать то не забывать что будет увеличена нагрузка. У меня наприимер прикуриватель не работает при заглушенном двиге, так что он отпадает.

Во вторых - если хочешь 2 питающих провода подключить, то на каждый надо по диоду вкорячить + желательно релейную развязку ( что бы только один провод задействовался при использовании стеклоподъемников ) а то будет неприятный момент с напряжением более чем +12в - это физика

В третьих - все равно придется резать синий провод и подключать к нему постоянные +12в, ещё как вариант влезть в распеделительную коробку найти там реле на стеклоподъемники ( если такой есть, т.е. он должен быть но может оказаться что он задействован с другими приборами) и поставить перемычку.
 


USHAS

Наш человек
14 Ноябрь 2006
245
24
0
Москва
Ответ: Стеклоподъемники

"...а то будет неприятный момент с напряжением более чем +12в - это физика..."
А можно поподробнее про этот момент.
 

Ярбург

Сузуковод со стажем
25 Апрель 2006
1,375
103
63
56
Ярославль
Езжу на ...
MMC Space Wagon
Ответ: Стеклоподъемники

ну выдаете парни...Серег ,ты еще подначиваешь...на еб.....тся...ЭБУ...счастье придет в дом....электрика пригласите..хоть будет на кого списать..
 

amigos

Эксперт
28 Июль 2008
3,094
562
113
46
Дубна Московская область
Езжу на ...
Suzuki Baleno Wagon 1,6 4WD 2001 SY416-5 (Blue Metallic), Isuzu Amigo '93 4ze1
Ответ: Стеклоподъемники

"...а то будет неприятный момент с напряжением более чем +12в - это физика..."
А можно поподробнее про этот момент.
При последовательном подключении напряжение складывается ( как в батарейках ), при паралельном формула сложнее но напряжение увеличивается. Проблема ещё заключается в том что будет использоваться один источник питания и как он отреагирует на такие эл.цепи не знаю.

Ну насчет спалить ЭБУ не знаю, но при неправильном подключении можно получить феерверк - это точно, уже был свидетелем.
 

USHAS

Наш человек
14 Ноябрь 2006
245
24
0
Москва
Ответ: Стеклоподъемники

"..При последовательном подключении напряжение складывается ( как в батарейках ), при паралельном формула сложнее но напряжение увеличивается.."
Никого не собираюсь учить и тем более обидеть,но нет слов..
При таком подходе электрикой в машине лучше не заниматься.
ИМХО.
 

amigos

Эксперт
28 Июль 2008
3,094
562
113
46
Дубна Московская область
Езжу на ...
Suzuki Baleno Wagon 1,6 4WD 2001 SY416-5 (Blue Metallic), Isuzu Amigo '93 4ze1
Ответ: Стеклоподъемники

Я к тому что, простым но хорошим решением будет провести отдельный провод установив в него предик, если брать питание от других приборов то лучше знать хорошо основные правила электрофизики. По моему опыту: в лучшем случае горели предики и защитные диоды, в среднем случае висело КЗ и за сутки убивало АКБ, в худшем случае фиерверк с проводкой.

Так что простые вещи можно делать самому, а по сложнее лучше дать специалисту.
 




v.konstantin

Местный
12 Февраль 2008
437
31
0
43
г. Оренбург
Ответ: Стеклоподъемники

больше 12 вольт напряжения там никак не будет если используеться один источник питания (т.е. 1 аккум.), там даже развязку не зачем использовать, отключить питающий провод (который работает от зажигания) и подключить жесткий ( а предохранитель обязательно !!! можно простым тестором замерить какой ток бежит при закрытии окон и поставить чуть побольше номинал предохранителя)

делай как amigos пишет и больше нечего заморачивать...все элементарно просто...
 

nutik

Местный
7 Апрель 2008
275
9
0
39
Нарва
Езжу на ...
Suzuki Baleno, 1996, 1.6
Ответ: Стеклоподъемники

Видел под торпедой Power Window там вроде аж на 60 ампер стоит. Хотя может сглючило) Хочу на тот же провод от аккума кинуть еще и местную подсветку ног при открывании дверей, лампочку в бордачек.
 

voodaster

Бывает здесь
17 Апрель 2010
69
3
8
Новосибирск
Езжу на ...
Suzuki cultus wagon, 2000, G15A, 1.5
Ремонт ЭБУ стеклоподьемниками.

Доброго дня!
Люди есть ли у кого электрическая схемма Блока Управления Стеклоподьемниками.
на SUZUKI Cultus Wagon 2000 1.5 G15A .

Очень нужно.Рыдаю!Чешу репу.Рыдаю!
 

Juri790

Наш человек
7 Февраль 2009
136
23
18
Е-бург
Ответ: Ремонт ЭБУ стеклоподьемниками.

А что с ним не так? Вроде штуковина довольно надежная чтоб с ней просто так чота случилось.
 

voodaster

Бывает здесь
17 Апрель 2010
69
3
8
Новосибирск
Езжу на ...
Suzuki cultus wagon, 2000, G15A, 1.5
Ответ: Ремонт ЭБУ стеклоподьемниками.

рассыпалось двух катушечное реле, сначала на опускание стекла с водительской стороны, заменил, по сопротивлению на реле от холодильного терморегулятора.

теперь развалилось, вторая катушка реле, замена ничего не дала, опустить стекло можно, поднять его только принудительно закоротив контакты.

нужна схемма электрическая на сам блок.
 



amigos

Эксперт
28 Июль 2008
3,094
562
113
46
Дубна Московская область
Езжу на ...
Suzuki Baleno Wagon 1,6 4WD 2001 SY416-5 (Blue Metallic), Isuzu Amigo '93 4ze1
Ответ: Ремонт ЭБУ стеклоподьемниками.

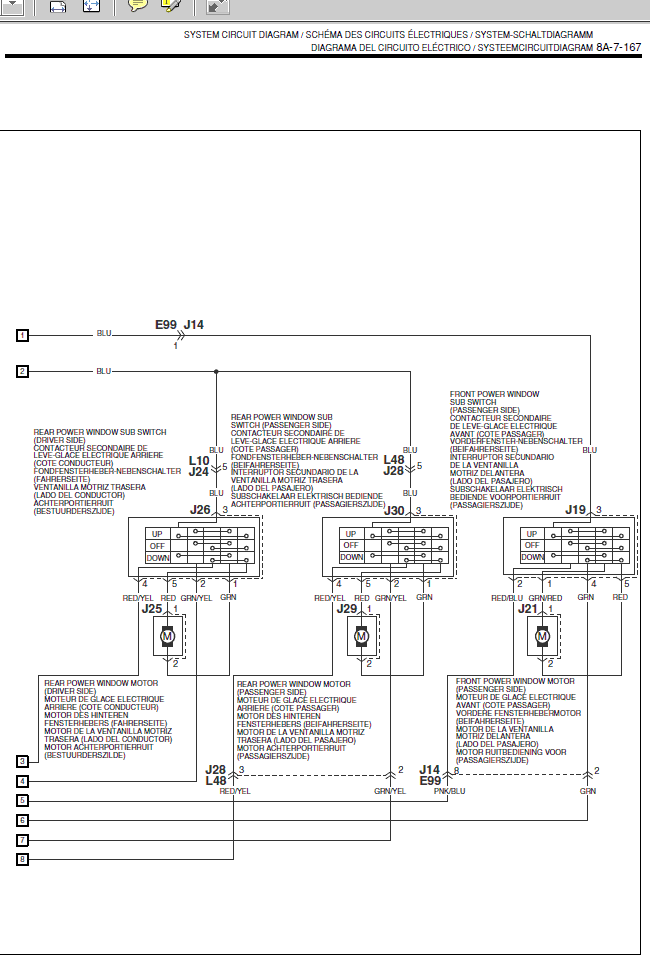
Вот схема из мануала на Баленку, насколько мне известно блоки управления индентичны.
Если здесь плохо читаемы то скинь мыло, я их на мыло тогда отправлю.
 

Вложения






voodaster

Бывает здесь
17 Апрель 2010
69
3
8
Новосибирск
Езжу на ...
Suzuki cultus wagon, 2000, G15A, 1.5
Ответ: Ремонт ЭБУ стеклоподьемниками.

Так фото блока есть?

а то может не такое, и чего потом делать.
 

v.konstantin

Местный
12 Февраль 2008
437
31
0
43
г. Оренбург
Ответ: Ремонт ЭБУ стеклоподьемниками.

Съездию в гараж привезу домой и сфоткаю, только немного подождать.
Ты сильно не переживай. Я могу тебе его выслать если подойдет с тебя пиво....
Оно 100 % с калтуса только не помню с 1,5 или 1,6
 

amigos

Эксперт
28 Июль 2008
3,094
562
113
46
Дубна Московская область
Езжу на ...
Suzuki Baleno Wagon 1,6 4WD 2001 SY416-5 (Blue Metallic), Isuzu Amigo '93 4ze1
Ответ: Ремонт ЭБУ стеклоподьемниками.

а то может не такое, и чего потом делать.
Какая катастрофа, прям будет подорван годовой бюджет. Если что то перекинешь начику, сам бы хоть фотку своего блока прислал для ускорения процесса.
На форуме становится все веселее и веселее.
 

voodaster

Бывает здесь
17 Апрель 2010
69
3
8
Новосибирск
Езжу на ...
Suzuki cultus wagon, 2000, G15A, 1.5
Ответ: Ремонт ЭБУ стеклоподьемниками.

Вот смотри, главное что бы разьем подошел;)



Сокращайте цитируемый текст, а если сообщения идут подряд — вообще убирайте цитаты, потому что и так понятно, кому вы отвечали.ХулиGAN
 

voodaster

Бывает здесь
17 Апрель 2010
69
3
8
Новосибирск
Езжу на ...
Suzuki cultus wagon, 2000, G15A, 1.5
Ответ: Ремонт ЭБУ стеклоподьемниками.

amigos спасибо за схемы, починил. Оказалось микросхемма сгорела.
сейчас другая проблемма, моторчик стеклоподьемника заклинило, морозы спадут буду снимать да ремонтировать.
 


voodaster

Бывает здесь
17 Апрель 2010
69
3
8
Новосибирск
Езжу на ...
Suzuki cultus wagon, 2000, G15A, 1.5
Ответ: Ремонт ЭБУ стеклоподьемниками.

Где же его взять, у знакомых все металические.
 

voodaster

Бывает здесь
17 Апрель 2010
69
3
8
Новосибирск
Езжу на ...
Suzuki cultus wagon, 2000, G15A, 1.5
Ответ: Стеклоподъемники

AMIGOS обшивку снял, шумоизоляцию снял, а вот сам механизм не могу, стекло опустилось на 5см. и не вниз ни вверх. морозы - 26С ночью до -32С Напиши как можно снять механизм, не ссылаясь на темы. от них толку нету. :-(((