Вопросы по моновпрыску

Lotrek

Наш человек
20 Июль 2010
171
31
28
Железногорск
Езжу на ...
G16A 8v Vitara 3d TA0VT Cabrio
Там у меня на фотке наплыв виден на впускном. И тройника нет по трубочкам, и (Ф) нет.
Одна трубка с воздухонюха к впускному и все. Может клапан по давлению какой.
Я к своему монику ищу схемы, описания. Пока скудненько.
 


ballack4715

Ура, фурычит)
19 Июль 2013
239
12
18
32
Езжу на ...
Geo Tracker 1994 Cabrio 16V 1.6 97hp АТ
Ну с трубкой всё понятно (трубка подачи топлива)
Что то я не вижу у тебя вот этого газового фильтра, Посмотреть вложение 88325 от него ещё идёт вакуумная трубка к датчику абсолютного давления. Интересно, зачем этот фильтр?

Да именно так. На следующих выходных ещё один переберу.
Через эту штуку вакуум в коробку попадает, если стоит автомат *по крайней мере у меня на трекере было так). На механиках либо отсутствует, либо заглушен, хотя попадалась машина с солексом - там усилитель тормозов через этот штуцер бодрили)
 

Aleksandr MI

Ветеран
28 Декабрь 2012
1,685
163
63
38
Минск
Езжу на ...
Vitara cabrio g16a 8v mono
Swift 1995 3d 1.0 mono
У меня было как у Сани. Вроди это клапан .[DOUBLEPOST=1447188961,1447188759][/DOUBLEPOST]Нет - фильтр №17
 

Вложения

Ptizelov

Эксперт
27 Апрель 2011
3,619
619
113
63
Москва ЗАО
Езжу на ...
Tracker J20 АКПП 99 гв
Действительно , интересно ! А что им соответствует на впускном коллекторе ?
 


Yanvarina

Опытный сузуковод
10 Март 2010
811
78
28
Темрюк
Езжу на ...
Suzuki vitara 1994г.
У меня эта головка без коллектора (приобрёл её для замены своей) Завтра сниму с машины голову и естественно коллектор, будем смотреть что там.
 

Aleksandr MI

Ветеран
28 Декабрь 2012
1,685
163
63
38
Минск
Езжу на ...
Vitara cabrio g16a 8v mono
Swift 1995 3d 1.0 mono
Как-то находил на Дроме тему с фотками этих же трубочек , так и осталось загадкой . Что-то про воздушные завихрения и тому подобное, но по делу ничего.
 
  • Нравится
Реакции: 1 человек

Ptizelov

Эксперт
27 Апрель 2011
3,619
619
113
63
Москва ЗАО
Езжу на ...
Tracker J20 АКПП 99 гв
Занятно . Для завихрений обычно делают отливы в канале ГБЦ . Лет двадцать назад попадались теоретические выкладки по поводу соединения тонкими дополнительными каналами общей (как бы рессиверной) зоны с околоклапанными зонами . Вроде , это помогает снимать нежелательные пульсации на определенных оборотах ...
 

miltsen

Местный
19 Апрель 2010
472
39
28
С-Петербург
Езжу на ...
Tracker, G16M, 1991 г.в. GM Co.
Vitara X90, G16B, 1996 г.в. Suzuki Motor Co.
Vitara cabrio, G16A, 1992 г.в. Suzuki Motor Co.
Кто скажет, зачем эти трубочки в окнах впускных клапанов? Посмотреть вложение 88478 Посмотреть вложение 88479
Как по мне, так это разновидность экономайзера. Т. е. льют для временного обогащения смеси дополнительную порцию бензина, струйкой, непосредственно на впускные клапана перед цилиндром. Такое устройство в немного видоизмененном исполнении имеется на нашем 151 двухкамерном карбюраторе. Только там он (экономайзер) прыскает не перед клапанами, а во впускной коллектор после карбюратора. Но, могу и ошибаться.
 
Последнее редактирование модератором:

Aleksandr MI

Ветеран
28 Декабрь 2012
1,685
163
63
38
Минск
Езжу на ...
Vitara cabrio g16a 8v mono
Swift 1995 3d 1.0 mono
Так ведь моновпрыск с 1 форсункой льет во впускной коллектор, и ничего ее не направляет отдельно в эти трубки. Или карбюратор так умеет?
 




Yanvarina

Опытный сузуковод
10 Март 2010
811
78
28
Темрюк
Езжу на ...
Suzuki vitara 1994г.
Во шайтан...
Сейчас как раз иду снимать с машины головку, думаю к вечеру проясним куда ведут отверстия во впускном коллекторе.
С экзиста пришла металлическая прокладка под впускной коллектор DSCF2564.JPG Это нормально или лучше всё таки из паронита вырезать? У меня на машине стоит из паронита, а на втором двигателе металлическая. :scratch_one-s_head:
 

Aleksandr MI

Ветеран
28 Декабрь 2012
1,685
163
63
38
Минск
Езжу на ...
Vitara cabrio g16a 8v mono
Swift 1995 3d 1.0 mono
Не парься , хорошая прокладка . При установки пшикни ВДшкой , такие вещи на жирное садятся лучше.
 

Yanvarina

Опытный сузуковод
10 Март 2010
811
78
28
Темрюк
Езжу на ...
Suzuki vitara 1994г.
Истина где то рядом DSCF2576 копия.jpg Все четыре канала совмещены с отверстием на площадке для карбюратора. Надо смотреть родной карб. а у меня Нивовский и это отверстие перекрыто прокладкой. В книге ничего про это не нашёл.
 
  • Нравится
Реакции: 1 человек

Aleksandr MI

Ветеран
28 Декабрь 2012
1,685
163
63
38
Минск
Езжу на ...
Vitara cabrio g16a 8v mono
Swift 1995 3d 1.0 mono
У меня моновпрысковый коллектор остался ,гляну что там . ГБЦ ведь одна для карба и моновпрыска , в мануале действительно ничего нет про это отвестие.
 



Lotrek

Наш человек
20 Июль 2010
171
31
28
Железногорск
Езжу на ...
G16A 8v Vitara 3d TA0VT Cabrio
Господа!

Это же готовая система для впрыска закиси азота!
:laugh1:
У нас самые крутые движки......

На ЕГР и правда похоже, нужно проследить по корпусу дроссельной заслонки.
Если выходит тупо на штуцер, тогда будет понятно.
 

Yanvarina

Опытный сузуковод
10 Март 2010
811
78
28
Темрюк
Езжу на ...
Suzuki vitara 1994г.
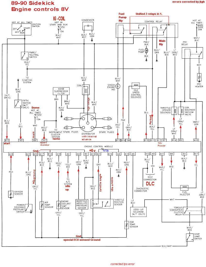
Нарыл в инете чуток картинок.
Похоже наше.
Интересная схемка (былаб ещё и по русски) надо сравнить со своей.
С электро проводкой более менее разобрался, за исключением диагностического разъёма. Покажите как выглядит колодка этого разъёма, ну и если есть схема подключения.

Вакуумные трубки отличаются от моих. Вот будет возможность по экспериментировать с ними при испытаниях двигателя.[DOUBLEPOST=1449423823,1448045962][/DOUBLEPOST]Так никто мне не предложил штуцер... Пришлось слепить вот такой DSCF2627.JPG

Подскажите как выглядет диагностический разьём на моновпрыске. Я нашёл под капотом рядом с аккумулятором вот такой DSCF2624.JPG с тремя проводками, по схеме совпадает. А по книге выглядит по другому, и находится в салоне DSCF2630.JPG Проясните пожалуйста!
 

Aleksandr MI

Ветеран
28 Декабрь 2012
1,685
163
63
38
Минск
Езжу на ...
Vitara cabrio g16a 8v mono
Swift 1995 3d 1.0 mono
Их несколько , тот что под капотом вот его упоминание в книге.
 

Вложения






Yanvarina

Опытный сузуковод
10 Март 2010
811
78
28
Темрюк
Езжу на ...
Suzuki vitara 1994г.
Саня! чёта я окончательно запутался в этих разъёмах, ты мне скажи, кроме этого маленького который под капотом есть ещё один в салоне в районе предохранителей. На картинке в книге он есть а на электро схеме, и проводке имеющейся у меня в наличии от моновпрыска его нет.
И ещё, на твоей картинке разъём имеет 4 вывода (судя по маркировке А;В;C;D) а на моём толко 3 вывода. Вывод D отсутствует. Вот на схеме 084 копия.jpg И вот не очень понятно, что значит разъём DC. на схеме 15
 

Lotrek

Наш человек
20 Июль 2010
171
31
28
Железногорск
Езжу на ...
G16A 8v Vitara 3d TA0VT Cabrio
Побаянить..

Сегодня утром узнал, что чек у меня не запараллелен с лампой давления :)
Выкурив форум, в обед сходил еще раз посмотреть.
Завел, чек потух, как и всегда.

Вчера была пакостноя погода (снег, туман, морось в общем полный пхиньян) утром все это замерзло и загорелся чек. До работы доехал без негатива. Машин ехал, разгонялся, как обычно.

Собственно вопрос.
Чек у нас постоянно горит, когда ловит ошибку. Или мограть должен?

На форумах в основном 16-клапанники трут тему.
 

ballack4715

Ура, фурычит)
19 Июль 2013
239
12
18
32
Езжу на ...
Geo Tracker 1994 Cabrio 16V 1.6 97hp АТ
Побаянить..

Сегодня утром узнал, что чек у меня не запараллелен с лампой давления :)
Выкурив форум, в обед сходил еще раз посмотреть.
Завел, чек потух, как и всегда.

Вчера была пакостноя погода (снег, туман, морось в общем полный пхиньян) утром все это замерзло и загорелся чек. До работы доехал без негатива. Машин ехал, разгонялся, как обычно.

Собственно вопрос.
Чек у нас постоянно горит, когда ловит ошибку. Или мограть должен?

На форумах в основном 16-клапанники трут тему.
Отключал мап переред запуском мотора ради науки - чек горел постоянно
 

Aleksandr MI

Ветеран
28 Декабрь 2012
1,685
163
63
38
Минск
Езжу на ...
Vitara cabrio g16a 8v mono
Swift 1995 3d 1.0 mono
Саня! чёта я окончательно запутался в этих разъёмах, ты мне скажи, кроме этого маленького который под капотом есть ещё один в салоне в районе предохранителей. На картинке в книге он есть а на электро схеме, и проводке имеющейся у меня в наличии от моновпрыска его нет.
И ещё, на твоей картинке разъём имеет 4 вывода (судя по маркировке А;В;C;D) а на моём толко 3 вывода. Вывод D отсутствует. Вот на схеме Посмотреть вложение 89788 И вот не очень понятно, что значит разъём DC. на схеме 15
Вспомнил , не было вывода "D" , оттого я и не мог понять как выставлять УОЗ , пришел к выводу что на варианте с "вакуумным" трамблером мозги не корректируют УОЗ и перемыкать ничего не надо .
 


Yanvarina

Опытный сузуковод
10 Март 2010
811
78
28
Темрюк
Езжу на ...
Suzuki vitara 1994г.
Ну Сань, ты как всегда прав, наверное так оно и есть. Но вопрос остаётся открытым: С помощью какого разъёма сделать диагностику на наличие ошибок на моновпрыске и где его искать по фактическому расположению и желательно на электро схеме?
 

Aleksandr MI

Ветеран
28 Декабрь 2012
1,685
163
63
38
Минск
Езжу на ...
Vitara cabrio g16a 8v mono
Swift 1995 3d 1.0 mono
Я всегда делал по разъему №10 на схеме. По факту это не разъем , а просто из под торпеды под ноги водителю висел какой-то провод (Bl/Y - черный с желтой полосой), рядом провод на землю , прикрученный к кузову у левой ноги. Они стыковались родными фишками "мама-папа".
 

Yanvarina

Опытный сузуковод
10 Март 2010
811
78
28
Темрюк
Езжу на ...
Suzuki vitara 1994г.
Я всегда делал по разъему №10 на схеме. По факту это не разъем , а просто из под торпеды под ноги водителю висел какой-то провод (Bl/Y - черный с желтой полосой), рядом провод на землю , прикрученный к кузову у левой ноги. Они стыковались родными фишками "мама-папа".
Санёчек, ты настоящий друг. Вот теперь всё стало на свои места, разъём 10 (на схеме с двумя проводками) это для диагностики двигателя, а 15-это для проверки и установки зажигания. СПАСИБО!!!
bayan.gif
 

Lotrek

Наш человек
20 Июль 2010
171
31
28
Железногорск
Езжу на ...
G16A 8v Vitara 3d TA0VT Cabrio
Чек наморгал датчик воздуха во впускном.
Покупал давно, чтобы был, вот этот. Чек ушел.
1.png

Посмотрел на старый и сильно расстроился :(
2.png

Весь в каке.
делаю выводы:
- Кака прет через сапун (маслосъемные под замену)
- Кака прет через залипший ЕГР (ампутировать нафиг)
--
Или пока на время:
1.Поставить самопальный маслоуловитель (Посмотреть прет или нет и сколько)
2. Ампутировать ЭГР, как класс.

Прав ли я?
И что посоветуете. Или еще от куда может эту каку гнать во впускной?
В движках я не особо, только теория. Ой! Чует моя пятая точка весной весь моник снимать и мыть, чистить.
 

miltsen

Местный
19 Апрель 2010
472
39
28
С-Петербург
Езжу на ...
Tracker, G16M, 1991 г.в. GM Co.
Vitara X90, G16B, 1996 г.в. Suzuki Motor Co.
Vitara cabrio, G16A, 1992 г.в. Suzuki Motor Co.
Для начала снять клапанную крышку и промыть маслоуловитель. (Это в верхней части крышки под сапуном). Мыть надо сольвентом. Датчик воздуха можно тоже им помыть. Вероятность его восстановления существует )).