Прочее Радиатор отопителя

Nefirtitty

Елена
29 Апрель 2012
1,954
94
48
Коломна
Езжу на ...
Suzuki Wagon r+ 1998 Бельгия engine K12A-107602
антифриз конечно, там больше антииокислительных присадок и темпер кипения выше. А по сути это одно и тоже, тосол - светская разработка под отечественные авто, антифриз - импортная под иномарки))
Т.е. для Сузуки -антифриз?:0239:
 


hellhoundss

Местный
2 Март 2017
299
31
0
37
Езжу на ...
МОДЕЛЬ WagonR+
МОДИФИКАЦИЯ SR410 E02,19
ДВИГАТЕЛЬ K10A-168316
что не так с концентрированным, который надо разводить? купил концентрат, купил воды в аптеке (там дешевле) и развел в нужной СЕБЕ пропорции.
 
D

DeNNovoSib

Guest
что не так с концентрированным, который надо разводить? купил концентрат, купил воды в аптеке (там дешевле) и развел в нужной СЕБЕ пропорции.
Да все с ним так, просто проще сразу с готовым, особенно для девушки. Может она сама будет менять )
 

nix13

(хен) Тайный советник
23 Июль 2012
2,575
340
83
Ростов-на-Дону
Езжу на ...
Wagon R+ 2002 венгр двигатель G13BB механика левый руль кондей.
Тосол - это род антифриза, в котором роль присадки для уменьшения ржавления ржавого ржавеющего блока цилиндов играет силикат натрия, т.е, силикатный канцелярский клей. Дико дёшево, дико страшненько, потихоньку ест алюминий. И не очень работает для стали.
Антифризы иные, там добавки органической химии. При смешивании с канцелярским клеем выпадают в осадок и перестают работать. Хотя поскольку их там не так и много, ничего не забъёт.
-----------
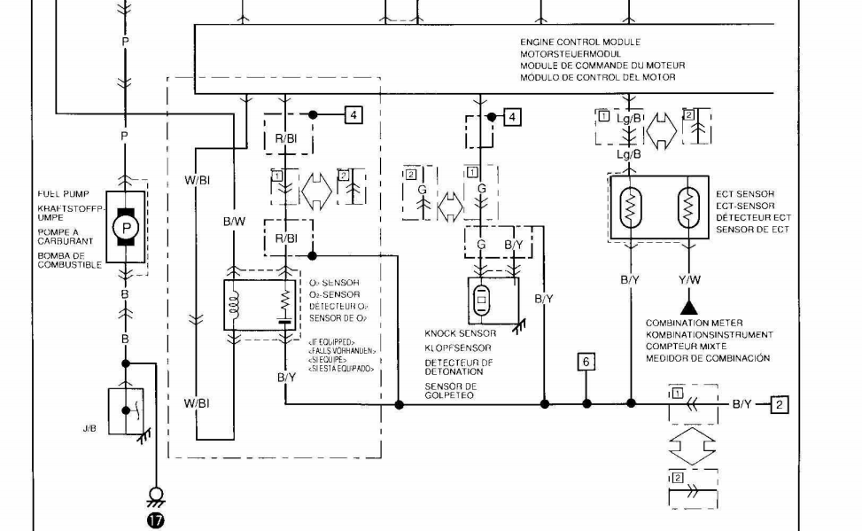
>>>А если серьёзно, то было бы здорово если бы ты подсказал какого цвета провод ( там из 3, один общий и 2 с резюков ) уходит с датчика температуры на показометр,

Ага... так... глянем... Бело-зеленый - это к комбинации приборов. Его термистор вторым концом на массу закорочен.
 
  • Нравится
Реакции: 1 человек


hellhoundss

Местный
2 Март 2017
299
31
0
37
Езжу на ...
МОДЕЛЬ WagonR+
МОДИФИКАЦИЯ SR410 E02,19
ДВИГАТЕЛЬ K10A-168316
DeNNovoSib, т.е. слить старый девушке хватит ума, а залить концентрат и добавть воды в нужных пропорциях не осилит?
 

Nefirtitty

Елена
29 Апрель 2012
1,954
94
48
Коломна
Езжу на ...
Suzuki Wagon r+ 1998 Бельгия engine K12A-107602
Тосол - это род антифриза, в котором роль присадки для уменьшения ржавления ржавого ржавеющего блока цилиндов играет силикат натрия, т.е, силикатный канцелярский клей. Дико дёшево, дико страшненько, потихоньку ест алюминий. И не очень работает для стали.
Антифризы иные, там добавки органической химии. При смешивании с канцелярским клеем выпадают в осадок и перестают работать. Хотя поскольку их там не так и много, ничего не забъёт.
-----------
>>>А если серьёзно, то было бы здорово если бы ты подсказал какого цвета провод ( там из 3, один общий и 2 с резюков ) уходит с датчика температуры на показометр,

Ага... так... глянем... Бело-зеленый - это к комбинации приборов. Его термистор вторым концом на массу закорочен.
У меня другой Вагон... Но какие то картинки есть.:dntknw:
 

Вложения

D

DeNNovoSib

Guest
DeNNovoSib, т.е. слить старый девушке хватит ума, а залить концентрат и добавть воды в нужных пропорциях не осилит?
Да причем здесь ум то????
Я написал что ПРОЩЕ купить готовый и залить. Все действия сводятся к слить старый и открыть канистру и залить новый, ВСЁ.
Не надо нашу клубную даму считать глупой.
 

Nefirtitty

Елена
29 Апрель 2012
1,954
94
48
Коломна
Езжу на ...
Suzuki Wagon r+ 1998 Бельгия engine K12A-107602
Потеплеет и займусь. Пробка в свободном доступе. Все осложняется дополнительным насосом. Надо будет пробки убрать воздушные. А скорее всего на сервис.
 




nix13

(хен) Тайный советник
23 Июль 2012
2,575
340
83
Ростов-на-Дону
Езжу на ...
Wagon R+ 2002 венгр двигатель G13BB механика левый руль кондей.
Не знаю как у вас, а у нас: пробки из системы охлаждения двигателя все удаляются снятием резиновой трубочки подогрева впускного коллектора. Это самая верхняя точка системы, и естественно, воздух - там. Пробки из печки удаляются небольшой ездой на прогретом моторе по пересеченной местности, с подъемами, спусками и торможениями. Либо интенсивным жамканием руками толстых шлангов под капотом, но мне обычно лень.
 
D

DeNNovoSib

Guest
Самый простой способ выгнать воздух, это встать мордой машины как можно выше вверх и погазовать. Поездить , если не помогло, еще раз повторить.
 

kotovski89

Редкий гость
3 Июнь 2018
7
5
3
36
Езжу на ...
Wagon r solio MA64S
Добрый день может у кого заволялся старый радиатор печки после замены?