Двигатель Система охлаждения двигателя.

deniss74

Бывает здесь
15 Январь 2007
59
19
8
51
Королев МО
Езжу на ...
Suzuki Aerio, правый руль.
Всем привет!

Машина Aerio M15A AT 4WD 2001 г. в. Пробег 235 ткм.

На холодном движке полный расширительный бачок, под пробку. Под машиной сухо, следов антифриза нет.
Завожу движок, на приборной панели появляется одно деление, потом два и дальше не растет. Если немного погонять движок, верхний и нижний патрубок становятся горячими, в какой-то момент включается вентилятор, но при этом немного антифриза выкидывает из расширительного бачка на улицу. На горячую расширительный бачок тоже полный, под пробку, вокруг крышки тоже следы антифриза. После выключения и остывания движка антифриз из бачка никуда не уходит. Это че за хрень? На приборной панели два деления из четырех на горячем движке, не больше.
 


KASiK

Мудрец
26 Август 2008
8,883
5,206
113
51
Санкт-Петербург, Красное Село
Езжу на ...
Suzuki Liana HB 1.6 4WD АКПП 2007
Geely Monjaro АКПП 4WD 2023 Изумруд
На днях приезжал клиент с похожей проблемой: перегревы, вытекает антифриз из бачка, обратно не засасывается. Обнаружил, что в горловине радиатора, куда крышка вставляется, есть неровности - выщербины, из-за этого антифриз спокойно выдавливается в бачок при нагреве, а обратно не засасывается при остывании. Необходима замена радиатора, лучше с крышкой.
Возможно, у вас нечто подобное: проверьте крышку и радиатор
 
  • Нравится
Реакции: 1 человек

sanich72

Эксперт
22 Январь 2010
4,279
1,740
113
Московская область - Коломна
Езжу на ...
suzuki liana Toyota Land Cruiser Prado 3D
На днях приезжал клиент с похожей проблемой: перегревы, вытекает антифриз из бачка, обратно не засасывается. Обнаружил, что в горловине радиатора, куда крышка вставляется, есть неровности - выщербины, из-за этого антифриз спокойно выдавливается в бачок при нагреве, а обратно не засасывается при остывании. Необходима замена радиатора, лучше с крышкой.
Возможно, у вас нечто подобное: проверьте крышку и радиатор
Из за этих неровностей..система не будет держать заданное давление .на работать будет вполне нормально .проверено . Если неровности по внешней плоскости . то засасывать из бачка не будет.но тогда потечет наружу и будут видны следы антифриза .
 

balser

Сузуковод со стажем
15 Февраль 2013
1,416
622
0
Сургут ХМАО-Югра
Езжу на ...
Сузуки Лиана хэч 2006 4вд акпп
полный расширительный бачок, под пробку
и масло в движке ?[DOUBLEPOST=1523333571,1523333509][/DOUBLEPOST]
немного антифриза выкидывает из расширительного бачка на улицу
ну если под пробку...[DOUBLEPOST=1523333849][/DOUBLEPOST]
Это че за хрень?
Циркуляция через радиатор есть ?
 

Evil

Опытный сузуковод
24 Январь 2015
864
244
43
Харьков
Езжу на ...
SUZUKI SX4_NEW(S_Cross) 4*4 CVT GLX 2016, Splash AT 2014, было SUZUKI SX4 GLX 4*4 2008, Chana Benni 1,3 2008;
Начните с очистки и затем замены крышки. (там два клапана )
 


deniss74

Бывает здесь
15 Январь 2007
59
19
8
51
Королев МО
Езжу на ...
Suzuki Aerio, правый руль.
Начните с очистки и затем замены крышки. (там два клапана )
Дело оказалось в крышке. Стояла оригинальная на 1.1, которая изначально шла с машиной. Поменял крышку и при остывании движка уровень антифриза в расширительном бачке вернулся в норму. Оригинальная крышка проходила почти 17 лет получается.
Сейчас стоит крышка на давление 0.9, которая шла с радиатором Nissens, кажется. Её лучше на оригинальную 1.1 поменять?
 

niral

Опытный лиановод
19 Март 2012
5,086
2,049
113
50
Санкт Петербург, Вышний Волочек
Езжу на ...
SUZUKI SX4 S Cross 1,4 boosterjet, 2 WD, 2019
Сейчас стоит крышка на давление 0.9, которая шла с радиатором Nissens, кажется. Её лучше на оригинальную 1.1 поменять?
Система работает? Значит лучше ничего не менять
 
  • Нравится
Реакции: 1 человек

Evil

Опытный сузуковод
24 Январь 2015
864
244
43
Харьков
Езжу на ...
SUZUKI SX4_NEW(S_Cross) 4*4 CVT GLX 2016, Splash AT 2014, было SUZUKI SX4 GLX 4*4 2008, Chana Benni 1,3 2008;
Неа, с таким давлением она может и работает, но не правильно в особенности в критических режимах.
Как временный вариант, если не будет длинных поездок можно оставить.
Но правильно купить нужную крышку, с правильно настроенными обоими клапанами.
Либо востановить старую, если там просто засорение, хотя за17 лет, все пружинки уже подустали вероятно.
Я бы заменил.
 

niral

Опытный лиановод
19 Март 2012
5,086
2,049
113
50
Санкт Петербург, Вышний Волочек
Езжу на ...
SUZUKI SX4 S Cross 1,4 boosterjet, 2 WD, 2019
Неа, с таким давлением она может и работает, но не правильно в особенности в критических режимах.
Как временный вариант, если не будет длинных поездок можно оставить.
Но правильно купить нужную крышку, с правильно настроенными обоими клапанами.
Либо востановить старую, если там просто засорение, хотя за17 лет, все пружинки уже подустали вероятно.
Я бы заменил.
Я уже ГОД езжу со снятым клапаном в крышке радиатора, т.е. без избыточного давления в системе и все в порядке, все параметры в норме. Пробеги по городу и раз в две недели по трассе 500 туда 500 обратно.
 
  • Нравится
Реакции: 2 человек
R

Rinat-ZK

Guest
439.jpg
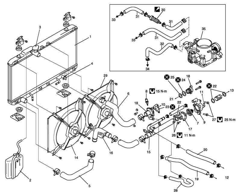
[DOUBLEPOST=1525282904,1525282860][/DOUBLEPOST]Доброго времени суток! Кто знает что за деталь под номером 30?
 




cquell

Наш человек
10 Январь 2009
102
14
18
Москва
Дело оказалось в крышке. Стояла оригинальная на 1.1, которая изначально шла с машиной. Поменял крышку и при остывании движка уровень антифриза в расширительном бачке вернулся в норму. Оригинальная крышка проходила почти 17 лет получается.
Сейчас стоит крышка на давление 0.9, которая шла с радиатором Nissens, кажется. Её лучше на оригинальную 1.1 поменять?
У меня на 0,9 антифриз закипал, что не удивительно - ибо температура кипения повышается с давлением. Советую поставить то, что придумано японцами. 0,9 поставил для того, чтобы не продавливало прокладку ГБЦ. Вроде не продавливало, но кипело. А может и продавливало, и кипело - не помню :)
 



sav liana

Местный
6 Май 2015
269
93
28
Мос. ст. Силикатная
Езжу на ...
Liana, седан, передний, 2007, 1,6л M16A, МКПП, ~100 000 км
У меня на 0,9 антифриз закипал, что не удивительно - ибо температура кипения повышается с давлением. Советую поставить то, что придумано японцами. 0,9 поставил для того, чтобы не продавливало прокладку ГБЦ. Вроде не продавливало, но кипело. А может и продавливало, и кипело - не помню
Что то не то!!!

Я уже ГОД езжу со снятым клапаном в крышке радиатора, т.е. без избыточного давления в системе и все в порядке, все параметры в норме. Пробеги по городу и раз в две недели по трассе 500 туда 500 обратно.
А вот это норма!

Сейчас начинается время перегревов (после зимы могут накопиться неисправности) !
Поэтому надо быть внимательнее ! (штатный прибор показывает только последствия перегрева)

По своим наблюдениям за температурой ОЖ на обоих пробках (0.9 и 1.1):
- температура в движении всегда 90...92 гр;
- на светофорах, пробках, ... достаточно периодического включения первой ступени вентилятора или работы кондиционера, при этом температура колеблется 92...94...97 гр.

Температура кипения ОЖ (проба из двигателя, похожа на лукойл G11) Тож = 108 гр (в открытой посуде, ~739 мм рт. ст.)
Температура кипения ОЖ Лукойл G11 ( пробаиз бутылки, в открытой посуде) 106 гр.
(понятно, что лучше использовать G12)
 
Последнее редактирование модератором:
  • Нравится
Реакции: 1 человек

cquell

Наш человек
10 Январь 2009
102
14
18
Москва
По моему дилетантскому мнению, заменяя крышку 1.1 на 0.9, вы вносите конструктивные изменения в систему охлаждения, что приводит к тому, что система охлаждения начинает работать не в штатном режиме. Дело ваше, но я не понимаю смысла - автомобиль проходил испытания с крышкой 1.1, а вы ставите 0,9. Это странно.
 
  • Нравится
Реакции: 1 человек

ED007

Редкий гость
17 Апрель 2012
7
3
0
Москва
Езжу на ...
Сузука Лиана
Добрый день. Подскажите, плз, что за пимпа. История такая. Поменял агрегатные ремни. Поездил км 200-300. Потом далеко не ездил. 5-7 км в день. И тут день на третий после замены включил печку. Холодный.ну я под капот. Бачек пустой. Я на измену. Долил. Ещё день км 5 опять. Бачек полный, печка холодная. Чешу репу. Думаю пробка. Пытаюсь выгнать. Упс. Нижний патрубок пустой и холодный. Открываю радиатор.антифриза не видно. Под рукой ничего кроме воды.лью.литра полтора. из под машины капли. Ни запаха ни сбоев, ни температуры не было.Чешу репу, грешу на помпу. Ремни то меняли. Думаю перетянули, сбили, и ТД. Пишусь на прием, грят сегодня Фик. Сижу на даче. Бахнул с горя. Чешу дальше, то что высшая точка чела. Думаю, почему полтора, а не все 4-5. И вот добрался до истины. Плз, кто знает. Резиновая штука. Снизу очевидный разорванный шов. Оттуда и кап.
IMG_20180521_183712.jpg
IMG_20180521_183728.jpg
IMG_20180521_183831.jpg
[DOUBLEPOST=1526919530,1526918307][/DOUBLEPOST]стоит на блоке где свечи цилиндры и тд. я не особо сорь. многое узнал. но в эту сокровещницу не суюсь=)
 
Последнее редактирование модератором:





ED007

Редкий гость
17 Апрель 2012
7
3
0
Москва
Езжу на ...
Сузука Лиана
Спасибо, друзья!:yu:похоже четвертым буду, кому доставили хлопот Петровичи. Вот и думай теперь, к кому ехать на лечение. Сегодня бы приняли, нарисовали бы по полной. Но все равно съезжу. Мало ли чего, все таки система не полная была
 

ED007

Редкий гость
17 Апрель 2012
7
3
0
Москва
Езжу на ...
Сузука Лиана
спс. это я уже понял. а зафик он вообще? посоветовали его умертвить
 


sanich72

Эксперт
22 Январь 2010
4,279
1,740
113
Московская область - Коломна
Езжу на ...
suzuki liana Toyota Land Cruiser Prado 3D
спс. это я уже понял. а зафик он вообще? посоветовали его умертвить
Правильно посоветовали ! Видимо это технологическая заглушка для других модификаций .
 

ED007

Редкий гость
17 Апрель 2012
7
3
0
Москва
Езжу на ...
Сузука Лиана
вот итить... зачем доставлять людям столько удовольствия. через 12 лет... офигеть. а ведь толпу народа тупа развели на помпу, прокладки, термостаты и тд и тп. вот я бы сегодня заехел, сказали бы помпа, и я бы как телок.
 

ED007

Редкий гость
17 Апрель 2012
7
3
0
Москва
Езжу на ...
Сузука Лиана
похоже всё такие это клапан для развоздушивания системы. и получается ни такой уж и бесполезный. только т.к. никто про него не знает, то и не пользуются.[DOUBLEPOST=1527009944,1526975112][/DOUBLEPOST]Срок доставки этой пимпы порядка месяца. Нашел шланг, к газу такой ставил. Заглушил болтом с одной стороны( нашел болт где резьба от башки. Половину отпилил болгаркой ) два хомута. Заодно прочистил систему. Когда слил, пожалел, что новую купил. Хоть обратно заливай. Как слеза. Прогнал два раза водой. Продул два раза насосом ( на фото). Залил новую. Что сливы что залив ровно 5л. Полный привод. 2006 год
IMG_20180522_173431.jpg
IMG_20180522_173823.jpg
IMG_20180517_131455.jpg
[DOUBLEPOST=1527014598][/DOUBLEPOST]Вот только вопрос. Стоит ли теперь заказывать заглушку. Или нормально все. Все таки люминивые хомуты
 
  • Нравится
Реакции: 3 человек