Дневные ходовые огни.

Deich

Свой в доску
2 Ноябрь 2007
535
344
63
Одинцово
Езжу на ...
Игнис, 2007, 1.3, МКП. - был.
Теперь SX4, 2012, МКПП, 4х4,
Ответ: Дневные ходовые огни.

Погуглил про ПДД-световые приборы, ох и мудры наши законотворители.... :D То, что габариты не нужны при включенном ближнем свете, вытекает только согласно здравому смыслу, явно нигде не прописано. Но как известно у гибонов свое понятие смысла, вот они часто и докапываются до лампочек, не так горишь, не в то время, не в том месте.... В общем большинство решило, что по новым ПДД ближний или противотуманки могут гореть как ДХО без габаритов,

новая редакция
19.4 Противотуманные фары могут использоваться:
• в условиях недостаточной видимости с ближним или дальним светом фар;
• в темное время суток на неосвещенных участках дорог совместно с ближним или дальним светом фар;
• вместо ближнего света фар в условиях, предусмотренных пунктом 19.5 Правил.
19.5. В светлое время суток на всех движущихся транспортных средствах с целью их обозначения должны включаться фары ближнего света или дневные ходовые огни.
 


Zeliboba

Наш человек
11 Октябрь 2007
243
45
0
53
Москва, СВАО
Езжу на ...
Suzuki Ignis, 2007, 1.3L, 16V, MT
Ответ: Дневные ходовые огни.

Как вариант, взять BM4511 Регулятор яркости ламп накаливания 12В/50 A Если верить его описанию, то он подойдет для включения нашего ближнего. Мощи с провода D хватит для питания одного операционника?
1. Согласно описанию:
Very low supply current drain (500 µA)—essentially independent of supply voltage, те он ничего не потребляет. Для операционника питания c D хватит, а вот для ключа с нагрузкой - вряд ли. Необходимо разнести цепи питания ОУ и ключа, те нагрузку к плюсу питания присоединять отдельно, а не к клемме "1".
2. Не до конца изучен вопрос переменного сопротивления: под воздействием тряски и прочих прелестей жизни ползунок как правило отваливается, поэтому желательно заменить его на два постоянных.
 

Deich

Свой в доску
2 Ноябрь 2007
535
344
63
Одинцово
Езжу на ...
Игнис, 2007, 1.3, МКП. - был.
Теперь SX4, 2012, МКПП, 4х4,
Ответ: Дневные ходовые огни.

.....а вот для ключа с нагрузкой - вряд ли. Необходимо разнести цепи питания ОУ и ключа, те нагрузку к плюсу питания присоединять отдельно, а не к клемме "1".
2. Не до конца изучен вопрос переменного сопротивления: под воздействием тряски и прочих прелестей жизни ползунок как правило отваливается, поэтому желательно заменить его на два постоянных.
Там же нет силового питания, транзюк сидит в цепи +12-лампа-, тут и появляются преимущество "чукотской" схемы наших фар. :D Если такое устройство довести до ума, то коробка будет интегрироваться очень просто. Всего 4 провода - масса (силовая), плюс слаботочный, выход на ближний свет, вход от дальнего. С переменным резистором все просто, выставляем нужную мощность, меряем сопротивление плеч переменника, впаиваем примерно похожие постоянные. В природе есть и защищенные спец-регуляторы, но тут и не надо крутить в процессе эксплуатации.
И также нашлись еще девайсы, и плюс, и минус могут давать, на реле. . Но с обычным реле не будет режима пониженной мощности.
Контроллер управления фарами (прошу не счесть за рекламу :D )

Тема ДХО активно обсуждается на радио-форумах. Схем для самостоятельного изготовления хватает, Тут например, но надо регится.
 

Sand

Осваивающийся
8 Август 2010
17
2
3
Спб
Езжу на ...
Ignis 2006 1.3 МКПП 2wd
Ответ: Дневные ходовые огни.

Не до конца изучен вопрос переменного сопротивления: под воздействием тряски и прочих прелестей жизни ползунок как правило отваливается
я ставил этот приборчик, правда как регулятор клапана печки в другую машину. Там хороший переменник, можно тряски не опасаться. Скорее машина развалится от тряски, чем он изменит сопротивление на сколь-нибудь заметную на глаз величину.
 

Deich

Свой в доску
2 Ноябрь 2007
535
344
63
Одинцово
Езжу на ...
Игнис, 2007, 1.3, МКП. - был.
Теперь SX4, 2012, МКПП, 4х4,
Ответ: Дневные ходовые огни.

...Там хороший переменник, можно тряски не опасаться....
Но надо что-то делать, чтобы регулятор отключался при включении дальнего. В лоб видится только мелкое реле, с нормально замкнутыми контактами, через которые идет питание на устройство. Обмотка одним концом подключается на минус дальних ламп, другим на IG2. Дальний включился, реле щелкнуло, ближний погас. Но не красивое решение, надежность хромает. Впрочем, у меня в 8ке 7 лет стояло доп. реле (мелкое, военнное, герметичное) на питание датчика Холла, проблем не было ни разу. Примерно вот картинка, обратный диод параллельно обмотке в многих импортных реле уже стоит. Но габариты остались не включенными.
Тут этот регулятор переделывался под конкретные нужды, решения для нас нет, только информация для размышления.
 

Вложения



Sand

Осваивающийся
8 Август 2010
17
2
3
Спб
Езжу на ...
Ignis 2006 1.3 МКПП 2wd
Ответ: Дневные ходовые огни.

Не открывается ссылка. Реле самый простой вариант, и не очень понимаю ваших сомнений по поводу надежности. Ставьте реле подходящее по коммутируемому току и все. Стоят же родные реле и работают десятилетиями.

обратный диод параллельно обмотке в многих импортных реле уже стоит
это для защиты транзисторного ключа, который управляет обмоткой реле. Самому реле никакие диоды не нужны. Будьте проще, не заморачивайтесь несущественными проблемами. Радиотехника наука о контактах. ;)
 

Deich

Свой в доску
2 Ноябрь 2007
535
344
63
Одинцово
Езжу на ...
Игнис, 2007, 1.3, МКП. - был.
Теперь SX4, 2012, МКПП, 4х4,
Ответ: Дневные ходовые огни.

Не открывается ссылка. Реле самый простой вариант, и не очень понимаю ваших сомнений по поводу надежности. Ставьте реле подходящее по коммутируемому току и все. Стоят же родные реле и работают десятилетиями.
Вчера открывалась, сейчас похоже "сайт временно недоступен или перегружен запросами". Одно дело могучее автомобильное реле, другое мелкое приборное, его может и растрясти. А ставить туда релюху на 30А ну не этично! :D

...это для защиты транзисторного ключа, который управляет обмоткой реле. Самому реле никакие диоды не нужны. )
Не только для ключа, при коммутации отрицательный бросок уходит в борт сеть, конечно скорее где-то там быстро и погасится, но привык ставить, Очень давно знакомый поставил на 9ку простенькую доп. охрану. При ударе-толчке чувствительний маятник замыкал реле, оно просто громко щелкало, ничего не подключало. Отключалось оно скрытым тумблером. Так пока тумблер не щелкнуть, на приборка такая цветомузыка была в такт щелканью.... :D Поставил защитный диод, музыка пропала. Не наш случай, в современных машинах есть свои защиты+грамотная разводка, но осадочек остался. :D
 

Sand

Осваивающийся
8 Август 2010
17
2
3
Спб
Езжу на ...
Ignis 2006 1.3 МКПП 2wd
Вот побюджетнее чем T7 и есть вариант с управлением минусом http://www.asrc.ru/DRL-2.htm

Есть альтернатива T7, более бюджетная и поддерживает управление по минусу.

"Контроллеры управления фарами ближнего света автомобиля для обеспечения режима DRL (Дневные Ходовые Огни)
DRL-2-V, DRL-2-L"

cсылку форум рубит, поэтому ищите по названию
 

Deich

Свой в доску
2 Ноябрь 2007
535
344
63
Одинцово
Езжу на ...
Игнис, 2007, 1.3, МКП. - был.
Теперь SX4, 2012, МКПП, 4х4,
Ответ: Дневные ходовые огни.

Есть альтернатива T7, более бюджетная и поддерживает управление по минусу. "Контроллеры управления фарами ближнего света автомобиля для обеспечения режима DRL (Дневные Ходовые Огни) DRL-2-V, DRL-2-L"cсылку форум рубит, поэтому ищите по названию
Чуть выше давал ссылку именно на эти устройства - Контроллер управления фарами . Но они не силовые, требуют внешнее реле.
 

Sand

Осваивающийся
8 Август 2010
17
2
3
Спб
Езжу на ...
Ignis 2006 1.3 МКПП 2wd
Ответ: Дневные ходовые огни.

насколько я понял можно использовать штатное, ну или вариант их же электронное реле D30 Правда тогда уже не совсем бюджетно.
 




Deich

Свой в доску
2 Ноябрь 2007
535
344
63
Одинцово
Езжу на ...
Игнис, 2007, 1.3, МКП. - был.
Теперь SX4, 2012, МКПП, 4х4,

cfijk

Бывает здесь
29 Сентябрь 2007
79
9
0
Россия
Езжу на ...
Ignis; 2003 год; 1,3; 2wd; Венгр
Ответ: Дневные ходовые огни.

Решил воткнуть противотуманки и использовать как ДХО. В инете нашел такую схему. Вопрос: где найти 12 Вольт( Ignis рестайл) после запуска двигателя?
автосвет2.jpg
 

Deich

Свой в доску
2 Ноябрь 2007
535
344
63
Одинцово
Езжу на ...
Игнис, 2007, 1.3, МКП. - был.
Теперь SX4, 2012, МКПП, 4х4,
Ответ: Дневные ходовые огни.

Вопрос: где найти 12 Вольт( Ignis рестайл) после запуска двигателя?
Дмитр в этой же ветке #17 уже все объяснил -
Цитата:Сообщение от Deich Есть мысль сделать чтоб система включалась при заведенном двигателе.

Не хочешь чтобы при холодном пуске вместе со стартером еще и ПТФ жрали аккумулятор?
Так подключи управляющую цепь к IG2. Включил зажигание, ПТФ подогревают аккум. Поворачиваешь ключ дальше, IG2 отрубается, стартер включается. Отпустил ключ, ПТФ опять зажглись, стартер выключился.

У генератора на лампочку открытый коллектор. Думаю ничего более мощного чем индикаторная лампочка, вешать на этот вывод нельзя.
 

cfijk

Бывает здесь
29 Сентябрь 2007
79
9
0
Россия
Езжу на ...
Ignis; 2003 год; 1,3; 2wd; Венгр
Да, еще раз перечитал тему, так и сделал. К тому же если заводить на ручнике фары гореть не будут.

Подскажите пожалуйста еще один момент. Можно ли подать питание на противотуманки с IG2 или на этот контакт лучше не вешать лишнего. А то можно было бы выкинуть одну релюшку. Вот схема:
автосвет3.jpg
 

Oldboy

Наш человек
13 Январь 2007
102
10
0
59
Владимир
Ответ: Дневные ходовые огни.

Доброго времени суток!
Озадачился установкой ДХО на свой Игнис, решил с вами посоветоваться, правильно ли я рассуждаю? Появились неплохие дешёвые китайские ДХО, единственное только установить по правилам вряд ли удастся, если поставить их в нижнюю решётку, то между ними будет меньше 600 мм. На ТО придерутся наверняка.

cfijk,
По моему так нельзя делать, потому что на контактах замка будет висеть большая нагрузка.
Deich, писал: Так подключи управляющую цепь к IG2.

Я вот тут немного подправил под себя, подскажите правильно ли думаю!
автосвет.jpg

Кнопку 3 можно разместить где нибудь под панелью в удобном месте. Нужна для того, чтобы стоять с работающим двигателем, без огней. Остальное вроде понятно из схемы.
 



cfijk

Бывает здесь
29 Сентябрь 2007
79
9
0
Россия
Езжу на ...
Ignis; 2003 год; 1,3; 2wd; Венгр
Ответ: Дневные ходовые огни.

Я сначала сделал на 3-х реле, а потом приобрел контроллер управления управления фарами, про который писал Deich выше и подключил к противотуманкам. Теперь противотуманки загораются только после пуска двигателя.
 

Домовой

Местный
10 Январь 2009
313
31
0
Грязовец
Ответ: Дневные ходовые огни.

Давненько озадачился установкой ДХО, т.к. ездить приходится не далеко, нагрузка на аккум чувствительна. Покупать готовые охоты небыло, захотелось повозиться "шаловливыми ручками". В наличии были корпуса ПТФ Mitsubishi Outlander первого поколения, их пришлось разобрать (стёкла были плохо приклеены к корпусу), снять центральный колпачок, купить LED под цоколь HB4. "Плюс" по совету Дмитр'а взял с IG2, подключил реле так, как описано у Jr007. Кронштейны сделал сам, для того, чтобы установить огни, снял бампер целиком (заодно и подремонтил чутка ;)). У рукоятки КПП врезал микровыключатель отключения. Получилось так, как на фото. В пасмурную погоду (дожди у нас) видно хорошо.
 

Вложения

Резон

Свой в доску
20 Октябрь 2007
700
228
0
С-Петербург
Езжу на ...
Suzuki Ignis 1.5 4WD
Ответ: Дневные ходовые огни.

Нормально, особенно когда в наличии что-то было :)
Ещё бы стёкла ДХО защитить или у вас там на дорогах обстановка получше, чем в наших краях ?
 
  • Нравится
Реакции: 1 человек

Sм.Серж

we are linux
29 Июнь 2006
926
136
0
44
Москва
Езжу на ...
Suzuki Ignis 1.3 - 2006г.
Ответ: Дневные ходовые огни.

Выглядит хорошо. Отрегулируй только их. А то задолбали уже с встречки такими "ходовыми огнями" светить. Поставить поставят, а отрегулировать забывают или просто даже не имеют такой возможности.
 

Домовой

Местный
10 Январь 2009
313
31
0
Грязовец
Ответ: Дневные ходовые огни.

...стёкла ДХО защитить или у вас там на дорогах обстановка получше, чем в наших краях ?
Защитить от чего? От камней-песка? Езжу в основном по городу... За совет спасибо, подумаю.

Добавлено через 3 минуты
Отрегулируй только их. Поставить поставят, а отрегулировать забывают или просто даже не имеют такой возможности.
Отрегулирую, как только нормативные значения углов найду. Чешу репу. Возможность есть - работаю рядом со станцией ГТО. И ярко на фото так. Отсниму ещё по солнечной погоде, да на нормальный фотоаппарат.
 





Резон

Свой в доску
20 Октябрь 2007
700
228
0
С-Петербург
Езжу на ...
Suzuki Ignis 1.5 4WD
Ответ: Дневные ходовые огни.

Защитить от чего? От камней-песка?
Ну песок то не страшен, а камни/шипы летают регулярно.


Отрегулирую, как только нормативные значения углов найду.
Геометрическое поле видимости при установке ДХО:
ГОСТ Р 41.48-2004 (Правила ЕЭК ООН № 48)
п.6.19.5
Горизонтальный угол β = 20° наружу и внутрь.
Вертикальный угол α = 10° вверх и вниз от горизонтали.
 
  • Нравится
Реакции: 1 человек

Deich

Свой в доску
2 Ноябрь 2007
535
344
63
Одинцово
Езжу на ...
Игнис, 2007, 1.3, МКП. - был.
Теперь SX4, 2012, МКПП, 4х4,
Ответ: Дневные ходовые огни.

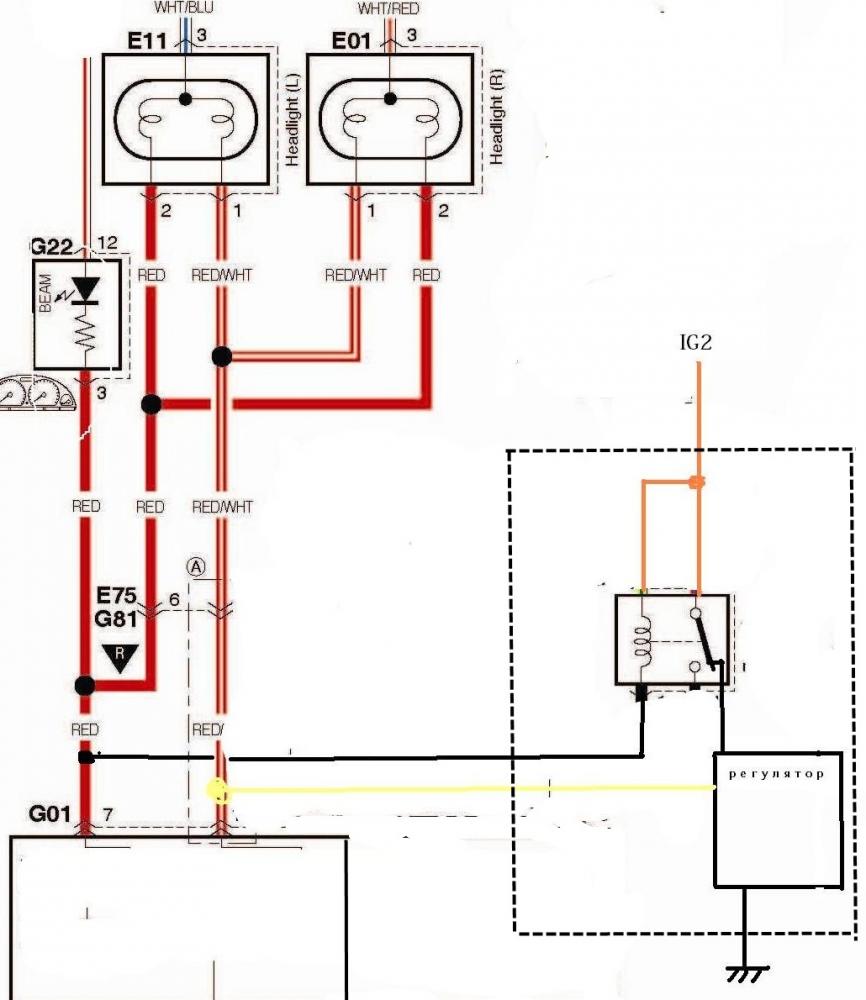
А вот и для нашего "чукотского света" (с-Дмитр) появился контроллер.
"Существуют 2 типа контроллера:
- с коммутацией плюса, когда в электросхеме автомобиля один контакт ламп постоянно находится на корпусе автомобиля (минус), а плюс коммутируется через реле или выключатель;
- с коммутацией минуса, когда в электросхеме автомобиля один контакт ламп постоянно подключен к плюсовой клемме аккумулятора, а минус коммутируется через реле или выключатель;"
Контроллер ламп дневного движения
 

264

Бывает здесь
10 Март 2013
72
10
8
38
Езжу на ...
ignis
Ответ: Дневные ходовые огни.

Вместе 2 провода сходятся только у реле ПТФ под капотом. Потом провода расходятся в разные стороны и идут вдоль крыльев к ПТФ. Это если судить по схемам.

0_452ee_f3fb68f_orig.png
Как выглядит этот fuse box в реальности? На предохранитель звукового сигнала напряжение тоже всегда подано? вне зависимости от положения ключа? От реле ПТФ реально отходят серый и желтый провода? Они единственные?
 


Домовой

Местный
10 Январь 2009
313
31
0
Грязовец
Как выглядит этот fuse box в реальности?
Капот откроете, сразу опознаете. У правого дальнего (как на картинке) угла моторного отсека две чёрного пластика "коробочки". Интересует та, что поменьше.
 

Дмитр

Старожил
26 Декабрь 2006
5,529
1,123
113
Щелково
Езжу на ...
Suzuki Ignis, Renault Twingo
На предохранитель звукового сигнала напряжение тоже всегда подано? вне зависимости от положения ключа?
Звуковой сигнал ведь работает независимо от положения ключа.
От реле ПТФ реально отходят серый и желтый провода? Они единственные?
Реле всегда имеет как минимум 4 вывода. К реле ПТФ подходят два серых (плюс с предохранителя), желтый/черный (управление обмоткой реле), светло-зеленый (расходится на две ПТФ).
 

264

Бывает здесь
10 Март 2013
72
10
8
38
Езжу на ...
ignis
кажется самое простое на контакт В6 ( пурпурныйй провод)
блока управленим освещением подать12в от любого источника, где появляется 12в при включенномзажигании. данный контакт управляет реле ПТФ
 

Дмитр

Старожил
26 Декабрь 2006
5,529
1,123
113
Щелково
Езжу на ...
Suzuki Ignis, Renault Twingo
Это только кажется. Алгоритм работы блока управления освещением тебе известен? Почему кнопка ПТФ не фиксирующаяся в нажатом положении? Значит есть электронная защелка, которая держит только пока включен основной свет.
Я бы не стал завязываться с блоком управления освещением. Всё можно сколхозить на самом реле ПТФ. Желто/черный вывод управления его обмоткой оторвать от блока управления освещением и повесить на массу. Серый провод управления обмоткой оторвать от плюса с предохранителя и на него "подать12в от любого источника, где появляется 12в при включенном зажигании".
Минусы:
-кнопка ПТФ теперь бесполезна.
-ПТФ не выключить пока включено зажигание.
 

Vertolet2013

Осваивающийся
10 Март 2013
20
0
0
42
Езжу на ...
Suzuki Ignis 2007г. Цвет серебристый. 1,5л. АТ, левый руль.
а я щас в габариты вставил супер яркие светодиоды, светит на ура)) в дальнейшем их подключю через мотор, как заводишь, будут загораться, а все остально, ну приборка и задние габариты не горят