Двигатель Система охлаждения

Статус
В этой теме нельзя размещать новые ответы.

kostya86

Наш человек
8 Сентябрь 2013
188
51
28
39
Мурманская область г. Кандалакша
Езжу на ...
Pajero 2, Honda jazz, уже ничего )))
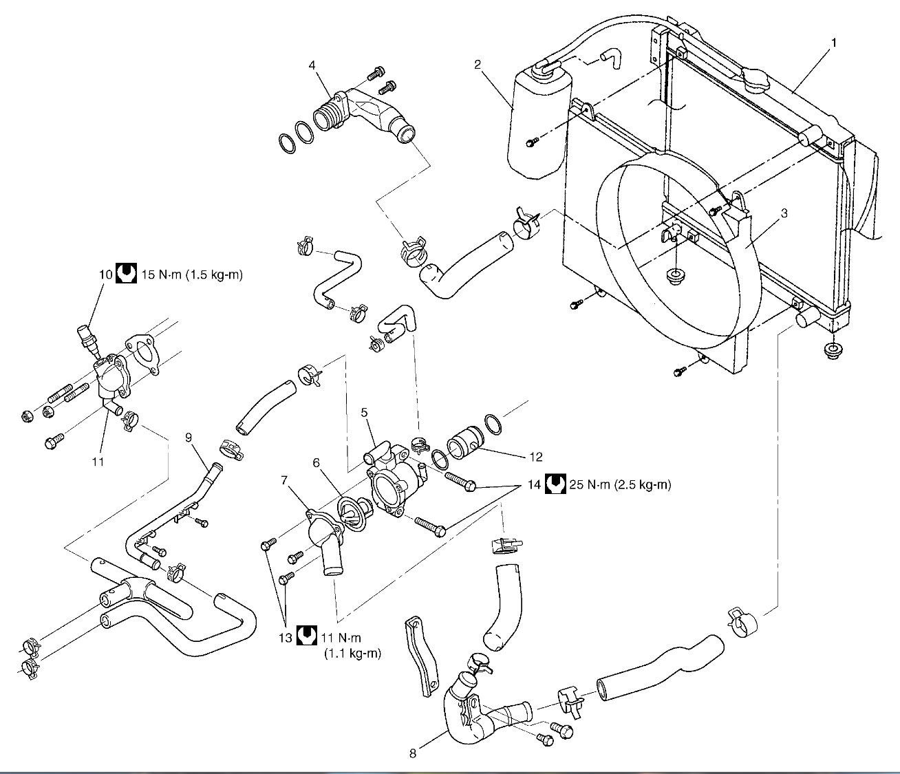
Вообщем нижний патрубок радиатора (и сам радиатор по всей плоскости) при прогретом двигателе должны быть одинаково горячими, как и верхний патрубок, так? Буду проверять радиатор вначале.
 


Иван33

Джимозависимый
Премиум-аккаунт
28 Январь 2014
3,254
596
113
Россия
Езжу на ...
SUZUKI JIMNY
Примерно так. ну может ценральная часть часть,где дует карлсон будет чуть прохладней,но не на столько,чтоб прям сильно отличалась!
 

kostya86

Наш человек
8 Сентябрь 2013
188
51
28
39
Мурманская область г. Кандалакша
Езжу на ...
Pajero 2, Honda jazz, уже ничего )))
А может и номерки подскажите радиатора оригинала и термостата на джимни 2011 года МКПП ? Каталог экзиста говорит что номер термостата на 82 градуса такой: 17670-65D00, а номеров радиаторов там 4 штукb, нужный вроде бы этот 17700-80A00 , но не уверен )
 

Иван33

Джимозависимый
Премиум-аккаунт
28 Январь 2014
3,254
596
113
Россия
Езжу на ...
SUZUKI JIMNY
Номера есть в теме выше - поищите. Там различается МКПП и АКПП если я не ошибаюсь
 

abcom

Pardon me boy, is that the Chattanooga Choo Choo?
Премиум-аккаунт
8 Декабрь 2008
14,096
3,101
113
67
Москва - Северное Тушино
Езжу на ...
Jimny 2007 МКПП
coolant_2.jpg coolant_circul.jpg


Или это я дуркую под вискарём? Что-то опять запутался ))))
Точно. я смудил, пардон )))[DOUBLEPOST=1463944094,1463943696][/DOUBLEPOST]kostya86, радиатор бери Денсо, вроде пока он был правильным. А на коробас поставь отдельный как все почти.

Тут я писал уже и фоты клал про плохие современные конструкции радиаторов и про правильные старого типа. Как ни странно, но способности охлаждать у новых и старых просто катастрофически отличаются. К сожалению. И новыми становятся все, даже оригиналы.
 
  • Нравится
Реакции: 1 человек


kostya86

Наш человек
8 Сентябрь 2013
188
51
28
39
Мурманская область г. Кандалакша
Езжу на ...
Pajero 2, Honda jazz, уже ничего )))
Посмотреть вложение 98778 Посмотреть вложение 98779


Или это я дуркую под вискарём? Что-то опять запутался ))))
Точно. я смудил, пардон )))[DOUBLEPOST=1463944094,1463943696][/DOUBLEPOST]kostya86, радиатор бери Денсо, вроде пока он был правильным.
Сейчас проверил, засунул щуп в соты через крышку, всё нормально, зафиксировал вентилятор чтоб не крутился, щупал радиатор - прогрев на ощупь равномерный что с краев что по центру (до низа не дотянулся). Нижний патрубок стал горячим после нагрева 86 градусов по БК. Виску починил, работает как надо. Хз куда копать, может я просто сильно придираюсь ? ))))
 

abcom

Pardon me boy, is that the Chattanooga Choo Choo?
Премиум-аккаунт
8 Декабрь 2008
14,096
3,101
113
67
Москва - Северное Тушино
Езжу на ...
Jimny 2007 МКПП
Заклинь виску и будет тебе щастье. Уже не на одном Джимнике проверено.
или просто купи дешёвую констейн или шамахайд. Они практически заклиненные и есть.
 

kostya86

Наш человек
8 Сентябрь 2013
188
51
28
39
Мурманская область г. Кандалакша
Езжу на ...
Pajero 2, Honda jazz, уже ничего )))
Заклинь виску и будет тебе щастье. Уже не на одном Джимнике проверено.
или просто купи дешёвую констейн или шамахайд. Они практически заклиненные и есть.
Я же написал, виска работает как надо , починил заменой в ней силиконового масла, залил туда ПМС 10000. Стала дуть теперь как надо )
 

abcom

Pardon me boy, is that the Chattanooga Choo Choo?
Премиум-аккаунт
8 Декабрь 2008
14,096
3,101
113
67
Москва - Северное Тушино
Езжу на ...
Jimny 2007 МКПП
а я написал, что надо заклинить виску или купить заклиненную в заводских условиях. Разницу ощущаешь? ))))[DOUBLEPOST=1463950063,1463950027][/DOUBLEPOST]
теперь как надо
Кому надо? тебе или мотору? ))))
 

kostya86

Наш человек
8 Сентябрь 2013
188
51
28
39
Мурманская область г. Кандалакша
Езжу на ...
Pajero 2, Honda jazz, уже ничего )))
И мне и мотору. С вискомуфтой разобрались (https://www.drive2.ru/l/9785298/ ), она работает. Радиатор на АКПП уже давно стоит отдельно от основного, на 86 градусов по БК ОЖ идет по большому кругу, тоесть термостат тоже работает, радиатор ОЖ греется равномерно, трубки которые под крышкой чистые, проверил щупом. Что ещё глянуть?

пс: если и буду покупать когда нибудь новый радиатор, закажу алюминиевый с Владивостока.
 




Koffe

Местный
22 Апрель 2012
284
46
28
53
Томск
Езжу на ...
Сузуки Джиминик 2001г(правый руль)
И мне и мотору. С вискомуфтой разобрались (https://www.drive2.ru/l/9785298/ ), она работает. Радиатор на АКПП уже давно стоит отдельно от основного, на 86 градусов по БК ОЖ идет по большому кругу, тоесть термостат тоже работает, радиатор ОЖ греется равномерно, трубки которые под крышкой чистые, проверил щупом. Что ещё глянуть?

пс: если и буду покупать когда нибудь новый радиатор, закажу алюминиевый с Владивостока.
Радиатор печки ещё глянуть можно , я поменял всё включая двигатель но в пробках всёж греееца зараза)) С печки чуть бежит ,под ковриком сладко ,думаю из за этого , вернее больше не из за чего....[DOUBLEPOST=1464145663,1464145615][/DOUBLEPOST]
Перед установкой сделай тест с давлением, бывают непровары.
Какое давление давить надо?
 

abcom

Pardon me boy, is that the Chattanooga Choo Choo?
Премиум-аккаунт
8 Декабрь 2008
14,096
3,101
113
67
Москва - Северное Тушино
Езжу на ...
Jimny 2007 МКПП
Радиатор печки ещё глянуть можно
Да, вот точно, вместо него вставить, временно, трубку на 14 мм и посмотреть что поменялось. Радиатор печки последовательно со всей системой ОД включён.
 



2 Апрель 2012
403
139
43
Московская область Дубна
Езжу на ...
Jimny 2008 г.в. автомат
У меня для статистики при новом радиаторе Денсо и виске Шимахид, тем-ра в городских условиях плавает от 92 до 100,
грешу на виску, хотя газетно-журнальный тест она проходит на ура, но в принципе меня устраивает, посмотрю, что будет после замены на М15А и удаления радиатора кондея с установкой более мощного вентилятора, термостат на всякий случай заменю.
 

Xenos

Опытный сузуковод
15 Август 2011
804
231
43
46
Хабаровск
Езжу на ...
Jimny JB43 2003
фото радиатора в студию можно?
Комплектные фитинги на охлаждение ATF - овно, поставил с родного, подошли отлично.
Комплектная крышка радиатора - овно, поставил NTK P541, подобрав по размерам и давлению, работает отлично.
Одно верхнее крепление не попало в дырочку, при этом оба нижних отлично встали.
Почти отлично встал диффузор радиатора.
Дырка в доли миллиметра от непровара на стыке плоскостей (предыдущее фото, потело) - неприятно, но устраняется очень легко.
В остальном за полтора года только положительные впечатления, правда, у меня 99% асфальта.
IMG_20140908_145706.jpg
IMG_20140908_145725.jpg
IMG_20140908_145642.jpg
 





Диметр

Опытный сузуковод
25 Сентябрь 2006
929
45
28
45
Владивосток
Парни у меня тут образовалась проблема...
расширительный бачок наполняется антифризом при езде по трассе на расстоянии в 300 км ...при этом обратно антифриз не уходит.
что делать где искать ??
масло чисто, антифриз чистый, никуда не уходит, только переливается.
бульков незамечено..может не так смотрел...
да крышка стояла не родная с большим клапаном сняв с крышки наклейку увидил под ней антифриз. да на наклейке писутствовали две трещинки причем на новых крышках у всех так.
поставил родную крышу с узким клапаном, но в наклейке есть порванная дырочка очень маленькая, но есть..
и при езде по городу, антифриз уходит из расширительного бочка обратно, но слабо не полностью... разница на холодную и горячую по уровню в 3 см где то
больше признаков никаких нет
до этого момента меняли все жидкости в том числе и антифриз плюс чистили КХХ с разбором...
тут мысль такая либо сосет воздух где то либо проблемы с двигателем
помогайте !![DOUBLEPOST=1464601890,1464601826][/DOUBLEPOST]забыл написать радиатор стоит не родной
 

guran2

Свой в доску
26 Июль 2014
515
142
43
49
Езжу на ...
Suzuki Jimny Wide 1998 г.в. АКПП
Крышку радиатора меняйте.
 

Koffe

Местный
22 Апрель 2012
284
46
28
53
Томск
Езжу на ...
Сузуки Джиминик 2001г(правый руль)
Парни у меня тут образовалась проблема...
расширительный бачок наполняется антифризом при езде по трассе на расстоянии в 300 км ...при этом обратно антифриз не уходит.
что делать где искать ??
масло чисто, антифриз чистый, никуда не уходит, только переливается.
бульков незамечено..может не так смотрел...
да крышка стояла не родная с большим клапаном сняв с крышки наклейку увидил под ней антифриз. да на наклейке писутствовали две трещинки причем на новых крышках у всех так.
поставил родную крышу с узким клапаном, но в наклейке есть порванная дырочка очень маленькая, но есть..
и при езде по городу, антифриз уходит из расширительного бочка обратно, но слабо не полностью... разница на холодную и горячую по уровню в 3 см где то
больше признаков никаких нет
до этого момента меняли все жидкости в том числе и антифриз плюс чистили КХХ с разбором...
тут мысль такая либо сосет воздух где то либо проблемы с двигателем
помогайте !![DOUBLEPOST=1464601890,1464601826][/DOUBLEPOST]забыл написать радиатор стоит не родной
Были такие же симптомы ,мне крышка не помогла ,оказался двиг. Где то в теме чуть выше я описывал как у меня было. Антифриз выкидывало в расширительный под нагрузкой ,с утра на холодную радиатор был не полный. Пузырей я тоже не видел ,но когда мыл расширительный бак обнаружил чтото типо копоти черной ,помню плохо смывалась. До этого поменял радиатор с патрубками 2 шт ,виску ,термостат ,антифриз. Грелся под нагрузкой даже в городе(секунд тридцать в горку,обороты 3000 и закипел) ,ничего не помогало. Поменял двиг всё прошло ,немного напрягает подбегающая печка ,но по сравнению с тем что было ,это совсем немного)
 

abcom

Pardon me boy, is that the Chattanooga Choo Choo?
Премиум-аккаунт
8 Декабрь 2008
14,096
3,101
113
67
Москва - Северное Тушино
Езжу на ...
Jimny 2007 МКПП


Диметр

Опытный сузуковод
25 Сентябрь 2006
929
45
28
45
Владивосток
Были такие же симптомы ,мне крышка не помогла ,оказался двиг. Где то в теме чуть выше я описывал как у меня было. Антифриз выкидывало в расширительный под нагрузкой ,с утра на холодную радиатор был не полный. Пузырей я тоже не видел ,но когда мыл расширительный бак обнаружил чтото типо копоти черной ,помню плохо смывалась. До этого поменял радиатор с патрубками 2 шт ,виску ,термостат ,антифриз. Грелся под нагрузкой даже в городе(секунд тридцать в горку,обороты 3000 и закипел) ,ничего не помогало. Поменял двиг всё прошло ,немного напрягает подбегающая печка ,но по сравнению с тем что было ,это совсем немного)
я прочитал тему почти полностью.
но прям один в один не нашел примеров...
да и что у Вас было прокладка или головка?
и как это у Вас подтвердилось ?? какие признаки выявили двигатель на СТО ?
как это дорого ремонтировать и стоит ли?? а то может машину стоит продать???
а что за грязь в бачке вы говорите???
у меня в антифризе все время что то плавает типа резины, пальцами растирается и не видно и на ощуп не ощутимо..
не могу понять что это
до этого рванул верхний патрубок радиатора так он внутри был как мыло или пластилин до того он состарился и да в бачке присутствует налет темный но масла и прочего нет... что за налет не пойму..[DOUBLEPOST=1464643723,1464643588][/DOUBLEPOST]
я прочитал тему почти полностью.
но прям один в один не нашел примеров...
да и что у Вас было прокладка или головка?
и как это у Вас подтвердилось ?? какие признаки выявили двигатель на СТО ?
как это дорого ремонтировать и стоит ли?? а то может машину стоит продать???
а что за грязь в бачке вы говорите???
у меня в антифризе все время что то плавает типа резины, пальцами растирается и не видно и на ощуп не ощутимо..
не могу понять что это
до этого рванул верхний патрубок радиатора так он внутри был как мыло или пластилин до того он состарился и да в бачке присутствует налет темный но масла и прочего нет... что за налет не пойму..
забыл.......у меня не греется и не закипает вообще...
при любых нагрузках и оборотах
а зачем вы меняли патрубки радиатора и термостат с муфтой???[DOUBLEPOST=1464691235][/DOUBLEPOST]
Крышку радиатора меняйте.
менял крышку..не помогло на 100 %
может не так смотрел или чего не так....
 

Xenos

Опытный сузуковод
15 Август 2011
804
231
43
46
Хабаровск
Езжу на ...
Jimny JB43 2003
забыл.......у меня не греется и не закипает вообще...
при любых нагрузках и оборотах
Натяни презерватив на горловину и погазуй хорошенько?
Я серьёзно, я так ловил трещину в блоке.
 

Диметр

Опытный сузуковод
25 Сентябрь 2006
929
45
28
45
Владивосток
Натяни презерватив на горловину и погазуй хорошенько?
Я серьёзно, я так ловил трещину в блоке.
а как презик должен надуться сильно, или нее??
да и если вдруг завоздушена система как долго выходит с нее воздух при открытой крышке радиатора и как быстрее выгнать?? и еще антифриз при работающем двигателе по мере прогрева пытается вылиться из горловины радиатора не сильно а по чуть чуть.. презик при этом наверно наполнится им...
короче вопрососв много......
 

Koffe

Местный
22 Апрель 2012
284
46
28
53
Томск
Езжу на ...
Сузуки Джиминик 2001г(правый руль)
Мне по двигу опытный механик заключение сделал ,мой друг. Что там прокладка или головка не знаю. Сказал что двиг газит ,открыл крышку моего радиатора он был не полный ,потом открыл крышки у трёх машин стоящих возле сервиса, везде было под горлышко ,типа у них всё в порядке ,а потом в своей открыл при этом сказав что у него тоже газит ,млин в копейку было как у меня ,тоже немного не хватало. Стали считать ремонт ,когда цифра перевалила за 30 000 ,считать перестали.В итоге взял малопробежный м15 с коробкой ,косой и компом за 25000 и воткнули за два дня.У вас во Владе ещё быстрее это можно сделать да и по дешевле думаю. Моё мнение ремонтировать не стоит ,куча бюджетных контрактных вариантов. У меня не грязь а типо сажи на стенках бачка ,снимал его ,мыл с фейри ,не отмыл.
 
  • Нравится
Реакции: 2 человек

Xenos

Опытный сузуковод
15 Август 2011
804
231
43
46
Хабаровск
Езжу на ...
Jimny JB43 2003
а как презик должен надуться сильно, или нее??
Ну вообще там достаточно очевидно получалось, т.к. столько воздуха в системе быть не могло.

Моё мнение ремонтировать не стоит ,куча бюджетных контрактных вариантов
Вот, да.
У моего ведра более 300к пробег, поджирает масло и расход уже не радует, при этом заводится в ЛЮБОЙ мороз. Но бюджет банального "колпачки и цепь поменять", если делать по-уму (а зачем делать иначе?!), вытягивал на 30к+ рублей только на запчасти по старому доллару.
Решил ездить, пока ездит, а потом махнуть целиком. Тем более, что M15A отлично работает на родных мозгах от M13A.
 





Статус
В этой теме нельзя размещать новые ответы.